Вварной ниппель прямой DS12 (корпус) арт. 105517.1 от Cast
Вварной ниппель прямой DS12 (корпус). Соединения с врезным кольцом (DIN 2353). Прямой ниппель под приварку (W)
Вварной ниппель прямой, артикул 105517.1, предназначен для создания надежного трубного соединения посредством сварки. Производство CAST, серия S. Применяется в гидравлических системах со стандартным и высоким давлением, подходит для использования с маслом и другими гидравлическими жидкостями в станках и мобильной технике.
Конструкция представляет собой прямой фитинг, обеспечивающий прочное и герметичное соединение с трубой. Соответствует стандарту DIN 2353, что гарантирует совместимость с другими компонентами гидравлических систем, выполненными по данному стандарту. Обеспечивает надежное соединение благодаря качественной сварке.
- Рабочее давление (WP): 630 бар
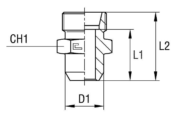
- Диаметр трубы M1/D1: 12 мм
- Размер под ключ 2 (CH2): 24 мм
- Размер под ключ 1 (CH1): 22 мм
- Длина L1: 24,5 мм
- Длина L2: 32 мм
- Длина L3: 41 мм
- Диаметр D1: 17 мм
- Стандарт трубного соединения: Соединения 24° DIN 2353
Поставляется в виде корпуса. Материал – сталь. Для заказа фитинга CAST из нержавеющей стали AISI 316 необходимо заменить префикс артикула с 10 на 11. Для заказа фитинга из нержавеющей стали AISI 316 с гайкой из нержавеющей стали AISI 304, замените первые две цифры артикула с 10 на 14. Применяется в условиях, требующих высокой прочности и герметичности соединения.