Вварной ниппель прямой DL8 в сборе арт. 105505 от Cast
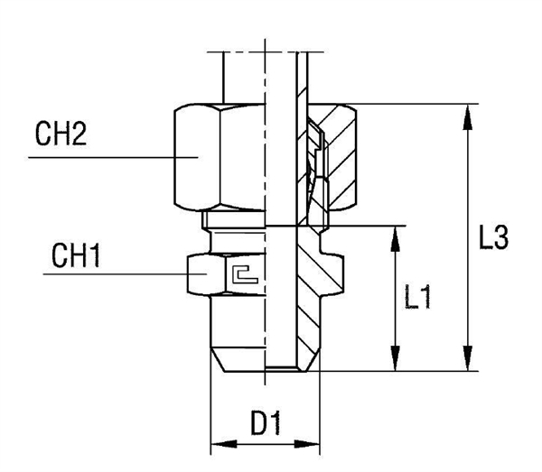
Вварной ниппель прямой DL8 в сборе. Соединения с врезным кольцом (DIN 2353). Прямой ниппель под приварку (W)
Вварной ниппель прямой, артикул 105505, от производителя CAST, предназначен для создания надежного и герметичного трубного соединения в гидравлических системах. Используется для подключения труб диаметром 8 мм в системах стандартного давления, подходит для применения со смазочными материалами и топливом в станочном оборудовании и мобильной технике.
Конструкция представляет собой прямой фитинг, обеспечивающий прочное соединение путем сварки. Соответствует стандарту DIN 2353 (соединения 24°), что гарантирует совместимость с широким спектром гидравлических компонентов. Обеспечивает надежное соединение в гидравлической системе.
- Рабочее давление (WP): 315 бар
- Диаметр трубы M1/D1: 8 мм
- Размер под ключ 2 (CH2): 17 мм
- Размер под ключ 1 (CH1): 14 мм
- Серия: L
- Длина L1: 16 мм
- Длина L2: 23 мм
- Длина L3: 31 мм
- Диаметр D1: 12 мм
В стандартной комплектации поставляется в сборе. Материал – сталь. Для заказа фитинга CAST из нержавеющей стали AISI 316 необходимо заменить префикс артикула с 10 на 11. Для исполнения из нержавеющей стали AISI 316 с гайкой из нержавеющей стали AISI 304, префикс артикула необходимо заменить с 10 на 14. Исполнение из нержавеющей стали рекомендуется для использования в условиях повышенной коррозионной активности и агрессивных средах.