Вварной ниппель прямой DL35 (корпус) арт. 105512.1 от Cast
Вварной ниппель прямой DL35 (корпус). Соединения с врезным кольцом (DIN 2353). Прямой ниппель под приварку (W)
Вварной прямой ниппель CAST серии L, артикул 105512.1, предназначен для создания неразъемного, герметичного трубного соединения в гидравлических системах. Этот компонент, являющийся частью 24° конусных фитингов по DIN 2353, обеспечивает надежное подключение трубопроводов путем приварки к трубе. Разработанный для систем низкого и умеренного давления, данный гидравлический фитинг CAST оптимален для использования в общем машиностроении, станочных и промышленных установках, а также в мобильной технике, работающей с гидравлическими маслами и топливом.
Конструкция ниппеля представляет собой прямой вварной элемент, формирующий стандартный 24-градусный конус. Он предназначен для приварки к концу трубы, обеспечивая прочное и надежное соединение с другими элементами системы через накидную гайку и врезное кольцо (или другой фитинг с 24° конусом). Соответствие стандарту DIN 2353 (аналог ISO 8434-1) гарантирует полную совместимость с широким спектром стандартных трубных соединений и компонентов в индустрии.
- Артикул: 105512.1
- Рабочее давление (WP): 160 бар
- Номинальный диаметр трубы: 35 мм
- Серия: L (Легкая)
- Стандарт соединения: 24° конус по DIN 2353
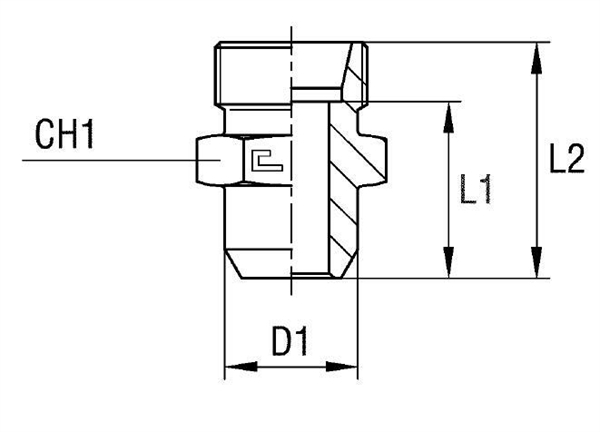
- Размер под ключ (CH1/CH2): 46 мм / 50 мм
- Габаритные длины (L1/L2/L3): 32.5 мм / 43 мм / 54 мм
- Внешний диаметр (D1): 40 мм
Данный ниппель поставляется как отдельный корпус из высокопрочной стали, при этом накидная гайка и врезное кольцо для формирования полного соединения DIN 2353 заказываются отдельно. Для применений в агрессивных средах или условиях, требующих повышенной коррозионной стойкости, доступен вариант из нержавеющей стали AISI 316 — для заказа измените префикс артикула с 10.... на 11.... При необходимости комплектации фитинга с гайкой из нержавеющей стали AISI 304, соответствующий артикул будет начинаться с 14....