Вварной ниппель прямой DL28 (корпус) арт. 105511.1 от Cast
Вварной ниппель прямой DL28 (корпус). Соединения с врезным кольцом (DIN 2353). Прямой ниппель под приварку (W)
Вварной ниппель прямой, артикул 105511.1 от CAST, предназначен для создания надежного соединения в гидравлических системах низкого и среднего давления. Используется для подключения компонентов в станочном оборудовании, мобильной технике и системах смазки.
Данный фитинг CAST обеспечивает надежное и герметичное трубное соединение. Конструкция ниппеля соответствует стандарту DIN 2353, что гарантирует совместимость с широким спектром гидравлических компонентов, использующих соединения 24°.
- Рабочее давление (WP): 160 бар
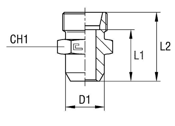
- Диаметр трубы M1/D1: 28 мм
- Размер под ключ 2 (CH2): 41 мм
- Размер под ключ 1 (CH1): 41 мм
- Серия: L
- Длина L1: 30,5 мм
- Длина L2: 38 мм
- Длина L3: 47 мм
- Диаметр D1: 32 мм
- Стандарт трубного соединения: Соединения 24° DIN 2353
Поставляется как корпус. Для заказа исполнения из нержавеющей стали AISI 316, необходимо заменить префикс артикула с 10 на 11. Для заказа исполнения из нержавеющей стали AISI 316 с гайкой из нержавеющей стали AISI 304, необходимо заменить префикс артикула с 10 на 14. Нержавеющая сталь обеспечивает повышенную коррозионную стойкость, что позволяет использовать фитинг в агрессивных средах.