Вварной ниппель прямой DL12 (корпус) арт. 105507.1 от Cast
Вварной ниппель прямой DL12 (корпус). Соединения с врезным кольцом (DIN 2353). Прямой ниппель под приварку (W)
Прямой вварной ниппель, артикул 105507.1, предназначен для создания надежного и герметичного соединения путем приварки к трубе. Производство CAST, серия L. Используется в гидравлических системах для соединения труб в станочном оборудовании и мобильной технике, преимущественно в условиях стандартного давления.
Конструкция представляет собой корпус для приварки, обеспечивающий надежное трубное соединение в соответствии со стандартом DIN 2353 (соединения 24°). Совместим с трубными соединениями с углом конуса 24°. Обеспечивает надежную фиксацию и герметичность соединения после сварки.
- Рабочее давление (WP): 315 бар
- Диаметр трубы M1/D1: 12 мм
- Размер под ключ 2 (CH2): 22 мм
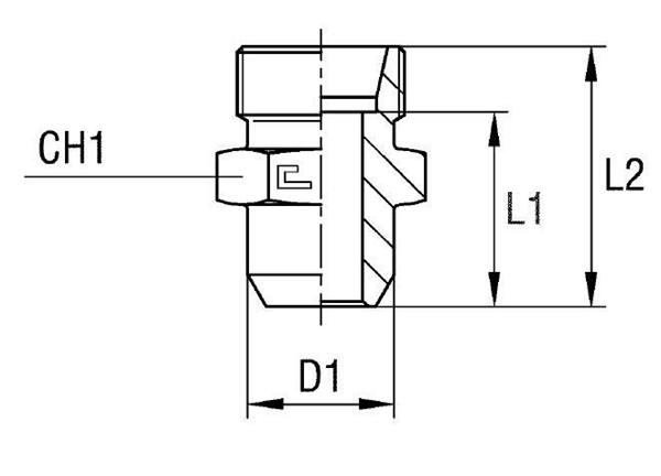
- Размер под ключ 1 (CH1): 19 мм
- Длина L1: 18 мм
- Длина L2: 25 мм
- Длина L3: 33 мм
- Диаметр D1: 16 мм
- Стандарт трубного соединения: Соединения 24° DIN 2353
Поставляется в виде корпуса. Материал – сталь. Для заказа фитинга CAST из нержавеющей стали AISI 316 необходимо заменить префикс артикула с 10 на 11. Для версии из нержавеющей стали AISI 316 с гайкой из нержавеющей стали AISI 304 используйте префикс 14. Варианты исполнения из нержавеющей стали обеспечивают повышенную коррозионную стойкость для работы в агрессивных средах.