Cast Вварной ниппель прямой DL10 в сборе арт. 105506
Вварной ниппель прямой DL10 в сборе. Соединения с врезным кольцом (DIN 2353). Прямой ниппель под приварку (W)
Данное изделие представляет собой высокопрочный вварной ниппель (артикул 105506) прямой конструкции серии L (Light Duty) от производителя фитинг CAST. Элемент предназначен для создания неразъемного, герметичного соединения гидравлических труб номинальным диаметром 10 мм методом сварки. Обеспечивает надежное подключение трубопроводов к компонентам систем стандартного и среднего давления. Основные области применения включают стационарные промышленные установки, гидравлическое оборудование станков, системы смазки, а также мобильную технику, где критически важна устойчивость трубного соединения к высоким вибрационным и пульсирующим нагрузкам.
Конструкция ниппеля разработана для работы с максимальным рабочим давлением до 315 бар и соответствует требованиям европейского стандарта DIN 2353 / ISO 8434-1 для 24° конусных соединений. Использование вварных фитингов гарантирует превосходную механическую прочность и герметичность, что является ключевым требованием при эксплуатации в сложных гидравлических схемах. Геометрия фитинга обеспечивает оптимальное качество сварного шва и простоту интеграции в трубопровод.
- Артикул: 105506 (стандартное исполнение)
- Серия давления: L (Легкая серия)
- Рабочее давление (WP): 315 бар
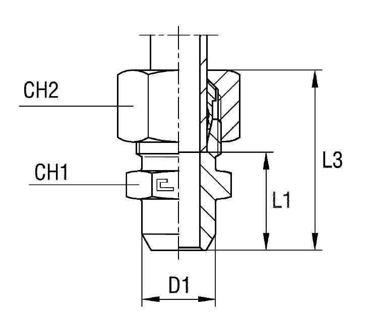
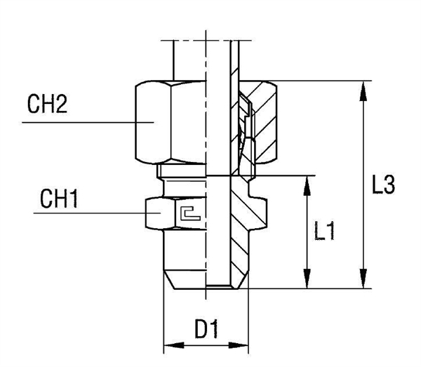
- Номинальный диаметр трубы (D1): 10 мм
- Стандарт: Трубное соединение 24° DIN 2353
- Размер под ключ (CH2/CH1): 19 / 17 мм
- Общая длина (L3): 33 мм
Стандартное исполнение (артикулы с префиксом 10....) изготавливается из углеродистой стали с защитным покрытием. Для эксплуатации в условиях повышенной коррозионной стойкости, таких как химическая или пищевая промышленность, предусмотрены специальные исполнения. При необходимости использования вварного ниппеля из нержавеющей стали AISI 316 следует заменить первые две цифры артикула на 11..... Если требуется комбинация ниппеля AISI 316 с гайкой из нержавеющей стали AISI 304, необходимо использовать префикс 14.....
-
Артикул105506 (стандартное исполнение)
-
Номинальный диаметр10 мм
-
Общая длина33 мм
-
Рабочее давление315 бар
-
Размер под ключ19 / 17 мм
-
СерияL (Легкая серия)