Вварной ниппель прямой DL10 (корпус) арт. 105506.1 от Cast
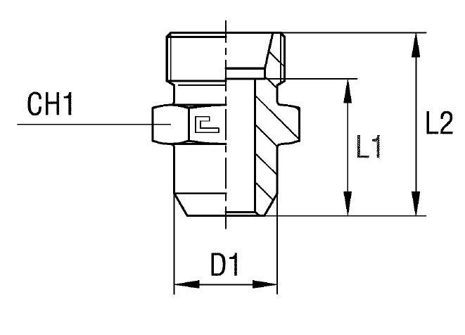
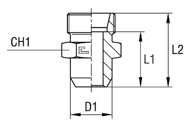
Вварной ниппель прямой DL10 (корпус). Соединения с врезным кольцом (DIN 2353). Прямой ниппель под приварку (W)
Прямой вварной ниппель, артикул 105506.1, предназначен для создания надежного и герметичного соединения в гидравлических системах. Произведен компанией CAST, относится к серии L. Используется в системах с низким и средним давлением, в том числе в смазочных системах и системах подачи топлива, а также в станочном оборудовании.
Данный фитинг CAST представляет собой прямой корпус с подготовленной площадкой для сварки. Конструкция обеспечивает прочное и долговечное соединение, соответствующее стандартам DIN 2353 для трубных соединений 24°. Совместим с различными типами трубных систем.
- Рабочее давление (WP): 315 бар
- Диаметр трубы M1/D1: 10 мм
- Размер под ключ 2 (CH2): 19 мм
- Размер под ключ 1 (CH1): 17 мм
- Серия: L
- Длина L1: 18 мм
- Длина L2: 25 мм
- Стандарт трубного соединения: 24° DIN 2353
- Длина L3: 33 мм
- Диаметр D1: 14 мм
Поставляется в стандартном исполнении из стали. Для применения в агрессивных средах и условиях повышенной коррозии доступна версия из нержавеющей стали AISI 316 (замена префикса артикула с 10 на 11) или AISI 316 с гайкой из AISI 304 (замена префикса артикула с 10 на 14). Учитывайте это при заказе для обеспечения необходимой химической стойкости.