Угловой тройник под кольцо DS8 BSP 1/4" арт. 604715.1 от Cast
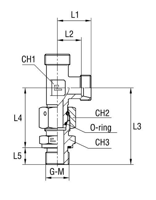
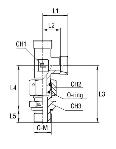
Угловой тройник под кольцо DS8 BSP 1/4". Соединения с врезным кольцом (DIN 2353). Угловой ввертной адаптер 90° BSP с уплотнением ED
Данное изделие, артикул 604715.1, представляет собой высококачественный угловой гидравлический тройник CAST серии S. Его основное назначение — обеспечение герметичного и компактного ответвления линий в гидравлических системах. Это универсальное трубное соединение находит широкое применение в оборудовании для мобильной техники, станочном парке, а также системах, работающих со стандартным и высоким давлением, включая транспортировку смазочных материалов и топлива.
Конструктивно фитинг выполнен как угловой тройник под врезное кольцо, что обеспечивает надежное трёхстороннее соединение без использования сварки. Соответствие стандарту DIN 2353 гарантирует совместимость с широким спектром трубных соединений с конусностью 24 градуса, обеспечивая высокую степень унификации при монтаже.
- Рабочее давление (WP): 800 бар
- Диаметр трубы M1/D1: 8 мм
- Резьба 5: BSP 1/4"
- Размер под ключ 1 (CH1): 14 мм
- Размер под ключ 2 (CH2): 19 мм
- Материал: Углеродистая сталь
- Стандарт трубного соединения: 24° DIN 2353
Стандартно поставляется как изделие из высокопрочной углеродистой стали. Для применения в агрессивных средах или для обеспечения повышенной коррозионной стойкости доступен вариант изготовления из нержавеющей стали AISI 316. Заказ модификации из нержавеющей стали производится путем замены первых двух цифр артикула с «60» на «61» (например, 614715.1). Отдельные уплотнительные шайбы и фитинги/наконечники приобретаются дополнительно в зависимости от конкретных требований к сборке.