Угловой тройник-переходник 90° M22x1.5-M18x1.5 арт. 308509 от Cast
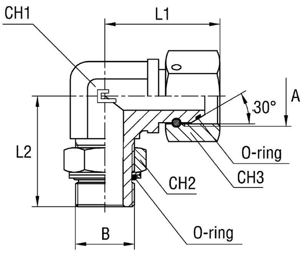
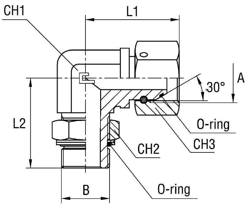
Угловой тройник-переходник 90° M22x1.5-M18x1.5. Соединения с уплотнением по конусу 60° (BSP). Угловой фитинг 90° Metric с накидной гайкой (уплотнение по конусу)
Представляем угловой тройник-переходник артикул 308509 от производителя CAST из универсальной серии, разработанный для формирования прочных и герметичных соединений в гидравлических системах. Это изделие, соответствующее стандарту трубного соединения 60° BS-5200, идеально подходит для создания компактных разветвлений в системах с давлением до 315 бар, находящих применение в станках, мобильной технике, а также в системах смазки и топливоподачи.
Конструкция данного гидравлического фитинга оптимизирована для обеспечения надежного соединения под углом 90 градусов. Переходник совместим с различными трубными системами, обеспечивая эффективное соединение между компонентами с различными размерами резьбы (M22x1.5 и M18x1.5), что делает его универсальным решением для сложных гидравлических схем.
- Артикул: 308509
- Бренд: CAST
- Рабочее давление (WP): 315 бар
- Размер под ключ 1 (CH1): 22 мм
- Размер под ключ 2 (CH2): 24 мм
- Размер под ключ 3 (CH3): 27 мм
- Длина L1: 44 мм
- Длина L2: 40 мм
- Стандарт трубного соединения: 60° BS-5200
- Размер A (USIT): M22x1.5
- Размер B: M18x1.5
Данный угловой тройник-переходник по умолчанию изготавливается из стали. Для систем, требующих повышенной коррозионной стойкости или работы в агрессивных средах, доступно исполнение из нержавеющей стали AISI 316. Для заказа изделия из нержавеющей стали необходимо заменить первые две цифры артикула с "30" на "31" (например, 318509). Доступность изделий из нержавеющей стали уточняется по запросу. В комплект поставки не входят уплотнительные шайбы или дополнительные фитинги/наконечники.