Угловой тройник BSP 3/8" (Г-Г-Г) арт. 305805 от Cast
Угловой тройник BSP 3/8" (Г-Г-Г). Соединения с уплотнением по конусу 60° (BSP). Угловой адаптер 90° BSP (уплотнение по конусу)
Артикул 305805 от производителя CAST – это угловой тройник, предназначенный для создания герметичных разветвлений в гидравлических системах. Изделие обеспечивает надежное и компактное подключение, применяясь в широком спектре задач – от станков и промышленного оборудования до мобильной техники и систем смазки. Этот фитинг CAST универсальной серии гарантирует стабильную работу при стандартном и умеренно высоком давлении.
Конструктивно данный трубный фитинг представляет собой угловой тройник с тремя внутренними резьбовыми соединениями. Он соответствует стандарту соединений 60° BS-5200, обеспечивая совместимость с широким спектром компонентов. Высокая точность изготовления гарантирует надежное и герметичное трубное соединение без необходимости дополнительной подгонки, что важно для минимизации утечек в системах с давлением.
- Рабочее давление (WP): 250 бар
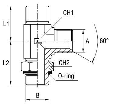
- Размер A (USIT): 3/8"
- Размер B: 3/8"
- Длина L1: 29 мм
- Длина L2: 37 мм
- Размер под ключ 1 (CH1): 19 мм
- Размер под ключ 2 (CH2): 22 мм
- Стандарт трубного соединения: Соединения 60° BS-5200
Для эксплуатации в агрессивных средах или условиях повышенной коррозионной активности предусмотрено исполнение из нержавеющей стали. Заказ такого варианта осуществляется путем изменения префикса артикула с "30" на "31". Стандартное исполнение изготовлено из высокопрочной стали. Для обеспечения герметичности соединений могут использоваться дополнительные уплотнительные шайбы, приобретаемые отдельно, что позволяет адаптировать фитинг под конкретные эксплуатационные условия.