Угловой тройник BSP 3/4" (Г-Г-Г) арт. 305809 от Cast
Угловой тройник BSP 3/4" (Г-Г-Г). Соединения с уплотнением по конусу 60° (BSP). Угловой адаптер 90° BSP (уплотнение по конусу)
Представляем угловой тройник CAST артикул 305809 — универсальное решение для создания герметичных и надежных гидравлических соединений. Этот фитинг CAST разработан для разветвления потока рабочей среды в трех направлениях под углом, обеспечивая компактное подключение в ограниченном пространстве. Применяется в гидравлических системах стандартного и низкого давления, системах смазки, топливоподачах, станках и мобильной технике.
Конструктивно фитинг представляет собой трехходовой угловой элемент с внутренними резьбами BSP 3/4" на всех трех портах. Он обеспечивает надежное трубное соединение в соответствии со стандартом 60° BS-5200, гарантируя высокую герметичность и устойчивость к вибрациям. Совместим с широким спектром компонентов гидравлических систем, соответствующих данному стандарту.
- Артикул: 305809
- Производитель: CAST
- Рабочее давление (WP): 250 бар
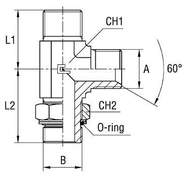
- Установочный размер (A): 3/4"
- Размер B: 3/4"
- Размер под ключ 1 (CH1): 27 мм
- Размер под ключ 2 (CH2): 36 мм
- Длина L1: 41 мм
- Длина L2: 49 мм
- Стандарт трубного соединения: Соединения 60° BS-5200
- Серия: Универсальная
Стандартное исполнение углового тройника выполнено из высококачественной стали. Для заказа изделия из нержавеющей стали AISI 316, обеспечивающей повышенную коррозионную стойкость и пригодной для агрессивных сред, достаточно изменить префикс артикула с "30" на "31" (например, 315809). В комплект поставки уплотнительные шайбы не включены и заказываются отдельно. Данный фитинг является оптимальным выбором для инженеров и монтажников, ценящих долговечность и надежность.