Угловой тройник BSP 1/2" (Г-Г-Г) арт. 305807 от Cast
Угловой тройник BSP 1/2" (Г-Г-Г). Соединения с уплотнением по конусу 60° (BSP). Угловой адаптер 90° BSP (уплотнение по конусу)
Артикул 305807 представляет собой угловой тройник CAST из универсальной серии, разработанный для формирования надежных и компактных гидравлических трактов. Данный фитинг CAST применяется для герметичного разветвления потока рабочей среды, обеспечивая гибкость при создании сложных гидравлических схем в условиях стандартных и умеренных давлений. Идеально подходит для систем смазки, топливопроводов и различных промышленных установок, включая станки и мобильную технику.
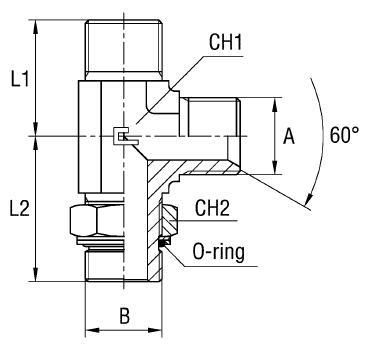
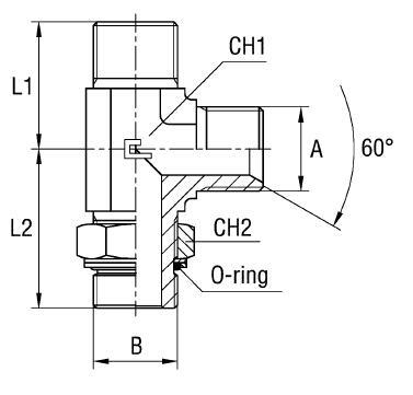
Конструкция данного углового тройника обеспечивает прочное и долговечное трубное соединение с углом 60° по стандарту BS-5200. Тройник имеет три внутренних резьбовых соединения, что позволяет быстро и надежно интегрировать его в существующие гидравлические контуры. Соответствие международным стандартам гарантирует совместимость с широким спектром оборудования и компонентов.
- Рабочее давление (WP): 250 бар
- Размер A (USIT): 1/2"
- Размер B: 1/2"
- Размер под ключ 1 (CH1): 22 мм
- Размер под ключ 2 (CH2): 30 мм
- Длина L1: 34 мм
- Длина L2: 43 мм
- Стандарт трубного соединения: Соединения 60° BS-5200
Для эксплуатации в агрессивных средах или при повышенных требованиях к коррозионной стойкости, доступна модификация из нержавеющей стали AISI 316. Для заказа этой версии необходимо изменить префикс артикула с "30" на "31" (например, 315807). Тройник поставляется без уплотнительных шайб, что позволяет подобрать их в соответствии со спецификой рабочей среды и давлением.