Угловой тройник 90° M22x1.5 арт. 308510 от Cast
Угловой тройник 90° M22x1.5. Соединения с уплотнением по конусу 60° (BSP). Угловой фитинг 90° Metric с накидной гайкой (уплотнение по конусу)
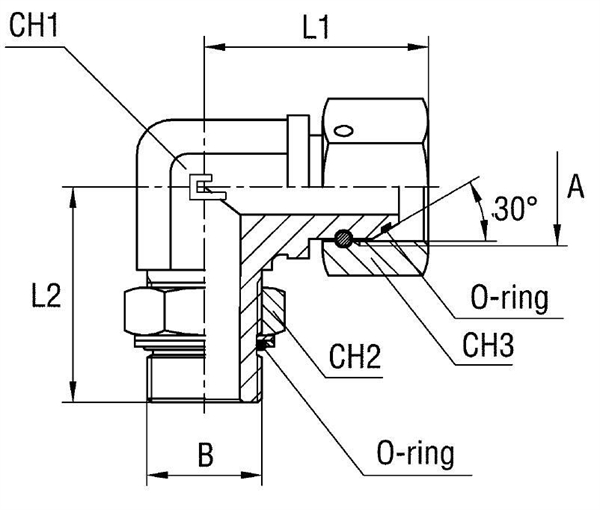
Представляем угловой тройник 90° артикул 308510 от производителя CAST. Этот универсальный фитинг CAST предназначен для создания герметичных и надежных соединений в гидравлических системах. Изделие оптимально подходит для применения в системах низкого и стандартного давления, в том числе для смазочных систем, топливопроводов, а также в станочном оборудовании и мобильной технике.
Конструктивно данный фитинг представляет собой полый тройник с углом 90°, обеспечивающий компактное подключение. Он спроектирован для обеспечения надежного трубного соединения и совместим со стандартами 60° BS-5200. Оптимизированная геометрия позволяет эффективно направлять потоки рабочей среды в условиях ограниченного пространства.
- Артикул: 308510
- Бренд: CAST
- Рабочее давление (WP): 250 бар
- Размер A (резьба): M22x1.5
- Размер B (резьба): M22x1.5
- Размер под ключ 1 (CH1): 22 мм
- Размер под ключ 2 (CH2): 27 мм
- Длина L1: 44 мм
- Длина L2: 42 мм
- Серия: Универсальная
- Стандарт трубного соединения: 60° BS-5200
Изделие поставляется в стандартном исполнении из стали. Для специфических условий эксплуатации, требующих повышенной коррозионной стойкости или работы с агрессивными средами, возможен заказ версии из нержавеющей стали AISI 316. Для этого необходимо заменить первые две цифры артикула с "30" на "31". Позиции из нержавеющей стали доступны только по индивидуальному запросу.