Угловой переходник 90° под кольцо DL12 BSP 3/8" арт. 604307.1 от Cast
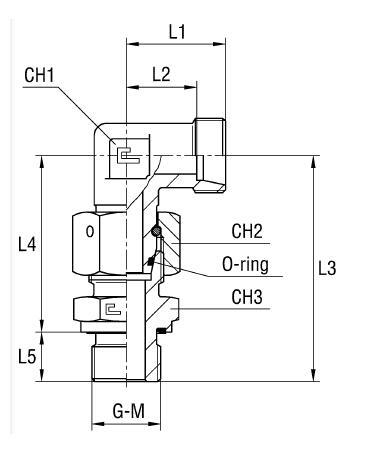
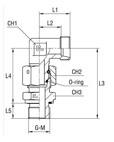
Угловой переходник 90° под кольцо DL12 BSP 3/8". Соединения с врезным кольцом (DIN 2353). Угловой ввертной адаптер BSP с уплотнением ED
Артикул 604307.1 представляет собой угловой переходник 90°, разработанный для герметичного и компактного подключения в гидравлических системах. Производитель CAST, серия L, гарантирует высокое качество и надежность. Данный фитинг CAST находит широкое применение в мобильной технике, станках и промышленных гидравлических установках, обеспечивая эффективное соединение в условиях стандартного давления до 400 бар.
Конструктивно переходник является надежным гидравлическим элементом, предназначенным для формирования углового соединения с трубными системами. Он совместим с трубными соединениями 24° DIN 2353, что обеспечивает стандартизированное и легко собираемое подключение. Резьбовое соединение BSP 3/8" обеспечивает универсальность использования и надежную фиксацию.
- Артикул: 604307.1
- Бренд: CAST
- Рабочее давление (WP): 400 бар
- Диаметр трубы (D1): 12 мм
- Размер под ключ (CH1, CH2): 17 мм, 22 мм
- Серия: L
- Стандарт трубного соединения: Соединения 24° DIN 2353
- Резьба: 3/8" BSP
- Длина (L1): 24 мм
- Длина (L2): 17 мм
- Длина (L3): 54 мм
- Длина (L4): 42 мм
- Длина (L5): 12 мм
- Длина (L6): 32 мм
Переходник поставляется без дополнительных уплотнительных шайб или фитингов. Стандартное исполнение изготовлено из стали. Для применения в агрессивных средах или при повышенных требованиях к коррозионной стойкости, доступна модификация из нержавеющей стали AISI 316. Для заказа изделия из нержавеющей стали необходимо изменить первые две цифры артикула с 60... на 61.... Это обеспечивает возможность адаптации к широкому спектру эксплуатационных условий.