Угловой переходник 90° JIC 9/16"(Г)-UNF 7/16"(Ш) арт. 204613.3 от Cast
Угловой переходник 90° JIC 9/16"(Г)-UNF 7/16"(Ш). Соединения под развальцовку 37° (JIC). Угловой ввертной адаптер 90° UNF (ORB)
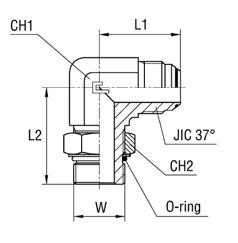
Угловой переходник CAST артикул 204613.3 представляет собой компактное решение для изменения направления потока в гидравлических системах. Этот фитинг CAST является угловым соединением под 90 градусов, предназначенным для герметичной стыковки компонентов. Он идеально подходит для гидравлических систем низкого и стандартного давления, встречающихся в станочном оборудовании, мобильной технике и промышленных гидравлических приводах.
Конструктивно переходник обеспечивает надежное и долговечное соединение, соответствующее стандарту SAE J514 для 37° конусных соединений JIC. Его геометрия спроектирована для оптимальной работы с трубами диаметром 10 мм и 3/8 дюйма, гарантируя безупречную герметичность при монтаже. Универсальная серия CAST обеспечивает широкую совместимость компонента с различными гидравлическими линиями.
- Артикул: 204613.3
- Бренд: CAST
- Рабочее давление (WP): 350 бар
- Резьба JIC 37° (A): 9/16-18 (гаечная)
- Резьба (W): 7/16-20 (штуцерная)
- Диаметр трубы D1: 10 мм
- Диаметр трубы W: 3/8 дюйма
- Длина L1: 27,5 мм
- Длина L2: 28 мм
- Размер под ключ CH1: 14 мм
- Размер под ключ CH2: 14 мм
- Стандарт трубного соединения: SAE J514 (37° JIC)
Для применения в агрессивных средах или при повышенных требованиях к коррозионной стойкости доступна модификация из нержавеющей стали AISI 316. При заказе такого исполнения необходимо изменить префикс артикула с "20..." на "21...". Этот трубный фитинг CAST поставляется без дополнительных уплотнительных шайб или наконечников, что позволяет гибко подходить к выбору комплектации. Позиция 21... доступна только для плановых заказов.