Угловой переходник 90° JIC 9/16"(Г)-UNF 3/4"(Ш) арт. 204615.3 от Cast
Угловой переходник 90° JIC 9/16"(Г)-UNF 3/4"(Ш). Соединения под развальцовку 37° (JIC). Угловой ввертной адаптер 90° UNF (ORB)
Артикул 204615.3 от производителя CAST представляет собой угловой переходник с углом 90° для систем гидравлики. Этот фитинг CAST предназначен для герметичного и компактного соединения трубных линий, обеспечивая изменение направления потока на 90 градусов. Серия "Универсальная" делает его пригодным для широкого спектра применений, включая стационарное оборудование, мобильную технику и промышленные установки, работающие со стандартным и высоким давлением, смазками и топливом.
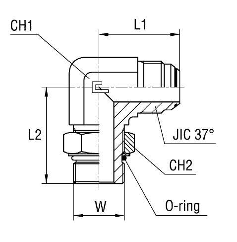
Конструкция переходника включает угловое соединение с одной стороны под резьбу JIC 37° (9/16-18), а с другой – под резьбу UNF 3/4-16 (штуцер). Такая конфигурация обеспечивает надежное и герметичное трубное соединение, соответствующее стандарту SAE J514. Угловой переходник оптимален для интеграции в гидравлические системы, где требуется компактное расположение компонентов и точное позиционирование трубопроводов.
- Рабочее давление (WP): 350 бар
- Диаметр трубы M1/D1: 10 мм
- Диаметр трубы W: 3/8 дюйма
- Резьба JIC 37° A: 9/16-18 (гаечная)
- Резьба W: UNF 3/4-16 (штуцерная)
- Размер под ключ 1 (CH1): 19 мм
- Размер под ключ 2 (CH2): 22 мм
- Длина L1: 29.5 мм
- Длина L2: 37 мм
- Стандарт трубного соединения: SAE J514 37°
Переходник поставляется без уплотнительных шайб, которые необходимо приобретать отдельно. Основное исполнение выполнено из стали. Для систем, требующих повышенной коррозионной стойкости или работающих в агрессивных средах, доступен вариант из нержавеющей стали AISI 316. При заказе такого исполнения необходимо изменить первые две цифры артикула с "20" на "21" (например, 214615.3). Изделия из нержавеющей стали доступны только по плановым заказам.