Угловой переходник 90° JIC 3/4"(Г)-UNF 9/16"(Ш) арт. 204617.3 от Cast
Угловой переходник 90° JIC 3/4"(Г)-UNF 9/16"(Ш). Соединения под развальцовку 37° (JIC). Угловой ввертной адаптер 90° UNF (ORB)
Артикул 204617.3 от производителя CAST представляет собой угловой переходник с углом 90 градусов, предназначенный для создания герметичных и компактных подключений в гидравлических системах. Это универсальное решение оптимизирует трассировку трубопроводов в условиях ограниченного пространства, обеспечивая надежное соединение в системах низкого и стандартного давления, а также в узлах смазки и топливоподачи. Применяется в стационарных установках и мобильной технике.
Переходник разработан с учетом требований стандарта SAE J514 для соединений JIC 37°, что гарантирует его совместимость с широким спектром гидравлического оборудования. Конструкция включает в себя жесткое соединение, обеспечивающее высокую устойчивость к вибрационным нагрузкам и пульсациям давления, что критично для стабильной работы гидравлической системы. Данный фитинг CAST адаптирован под трубное соединение с диаметром 12 мм и дюймовым типоразмером 1/2.
- Рабочее давление (WP): 350 бар
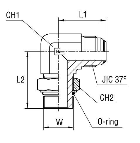
- Резьба JIC 37° A: 3/4-16 (гайка)
- Резьба W: UNF 9/16-18 (штуцер)
- CH1 (размер под ключ): 19 мм
- CH2 (размер под ключ): 17 мм
- Длина L1: 32 мм
- Длина L2: 36.5 мм
- Стандарт трубного соединения: SAE J514
Для эксплуатации в агрессивных средах или при повышенных требованиях к коррозионной стойкости, доступна версия из нержавеющей стали AISI 316. Для заказа такой модификации необходимо заменить префикс артикула с "20" на "21" (например, 214617.3). Данные исполнения поставляются как плановые заказы. Переходник не включает дополнительных уплотнительных шайб или наконечников в стандартной комплектации.