Угловой переходник 90° JIC 3/4"(Г)-BSP 3/4"(Г) арт. 204419.3 от Cast
Угловой переходник 90° JIC 3/4"(Г)-BSP 3/4"(Г). Соединения под развальцовку 37° (JIC). Угловой адаптер 90° BSP (уплотнение по конусу)
Данный угловой переходник, артикул 204419.3, производства CAST, предназначен для создания герметичного и компактного соединения в гидравлических системах. Изделие обеспечивает надежное сопряжение трубных линий под углом 90 градусов, что критично для оптимизации расположения компонентов. Основные области применения включают мобильную технику, станочное оборудование, системы смазки и топливопроводы в диапазоне стандартного и средне-высокого давления.
Конструктивно представляет собой гидравлический фитинг CAST углового типа, обеспечивающий переход между двумя стандартами резьбовых соединений: JIC 37° SAE J514 с одной стороны и BSP с другой. Такая конфигурация гарантирует высокую надежность соединений и устойчивость к вибрационным нагрузкам, предотвращая утечки. Продукт совместим с различными стандартами трубных соединений, что делает его универсальным решением для сложных гидравлических трактов.
- Рабочее давление (WP): 250 бар
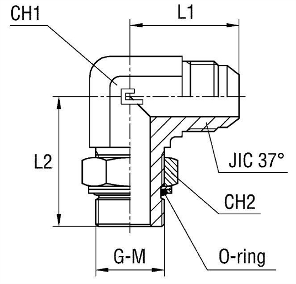
- Резьба JIC 37° A: 3/4-16 (для трубы диаметром 12 мм)
- Резьба BSP G: 3/4 (для трубы диаметром W 1/2 дюйма)
- Размер под ключ 1 (CH1): 27 мм
- Размер под ключ 2 (CH2): 36 мм
- Длина L1: 36 мм
- Длина L2: 49 мм
Стандартное исполнение данной серии выполнено из высокопрочной стали. Для эксплуатации в агрессивных средах или условиях, требующих повышенной коррозионной стойкости, доступна версия из нержавеющей стали AISI 316. Для заказа этой модификации необходимо изменить первые две цифры артикула с "20..." на "21...". В комплект поставки не входят уплотнительные шайбы, их подбор осуществляется отдельно в соответствии с требованиями системы к трубным соединениям.