Угловой переходник 90° JIC 1-7/8"(Г)-BSP 1-1/4"(Г) арт. 204427.3 от Cast
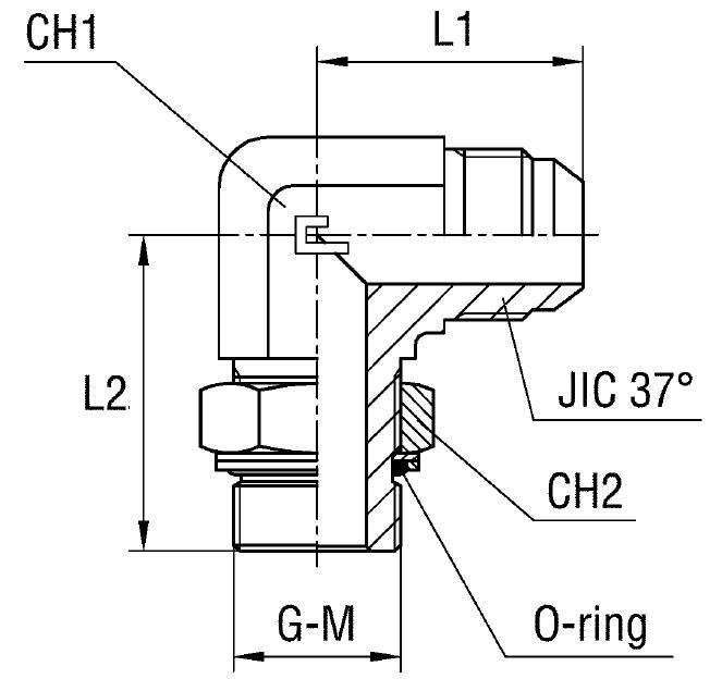
Угловой переходник 90° JIC 1-7/8"(Г)-BSP 1-1/4"(Г). Соединения под развальцовку 37° (JIC). Угловой адаптер 90° BSP (уплотнение по конусу)
Угловой переходник с артикулом 204427.3 от производителя CAST предназначен для формирования герметичного и надежного углового соединения гидравлических линий. Это гидравлический фитинг универсальной серии, который обеспечивает компактное изменение направления потока на 90 градусов. Применяется в различных гидравлических системах, включая мобильную технику, станки и промышленное оборудование, работающие под стандартным давлением.
Конструкция перехода представляет собой угловой элемент с внутренней резьбой JIC 37° SAE J514 с одной стороны и внутренней резьбой BSP с другой. Такая конфигурация гарантирует прочное и герметичное трубное соединение. Стандарт JIC 37° обеспечивает надежное уплотнение за счет конической формы сопрягаемых элементов.
- Артикул: 204427.3
- Бренд: CAST
- Рабочее давление (WP): 200 бар
- Резьба JIC 37° A: 1 7/8"-12 (внутренняя)
- Резьба G (BSP): 1 1/4" (внутренняя)
- Размер под ключ 1 (CH1): 48 мм
- Размер под ключ 2 (CH2): 50 мм
- Длина L1: 59 мм
- Длина L2: 60 мм
- Диаметр трубы M1/D1: 38 мм
- Стандарт трубного соединения: SAE J514
Данный переходник поставляется без дополнительных уплотнительных шайб, которые приобретаются отдельно исходя из типа соединяемой арматуры. Для условий, требующих повышенной коррозионной стойкости или работы с агрессивными средами, доступны варианты исполнения из нержавеющей стали AISI 316. Для заказа изделия из нержавеющей стали необходимо изменить первые две цифры артикула с "20..." на "21...".