Угловой переходник 90° JIC 1-1/16"(Г)-UNF 7/8"(Ш) арт. 204623.3 от Cast
Угловой переходник артикул 204623.3 от CAST предназначен для создания герметичных и надежных соединений гидравлических линий под углом 90 градусов. Этот фитинг оптимален для применения в системах со стандартным и высоким давлением, включая гидравлические контуры мобильной техники, промышленного оборудования, а также в станочном оборудовании, где требуется компактное подключение и точное позиционирование трубопроводов.
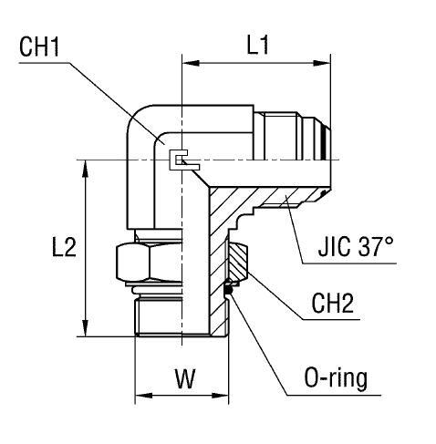
Конструктивно фитинг представляет собой угловой адаптер, обеспечивающий переход от резьбы JIC 37° с размером 1 1/16-12 к резьбе UNF 7/8-14. Соответствие стандарту SAE J514 для 37° развальцованных соединений гарантирует максимальную совместимость и надежность в эксплуатации. Разработан для труб с внешним диаметром 18-20 мм, что обеспечивает точное и герметичное трубное соединение без изгибания или деформации.
- Артикул: 204623.3
- Рабочее давление (WP): 350 бар
- Резьба JIC 37°: 1 1/16-12
- Резьба W: 7/8-14
- Диаметр присоединяемой трубы: 18-20 мм
- Длина L1: 42 мм
- Длина L2: 47 мм
- Размеры под ключ (CH1/CH2): 27 мм
- Стандарт: Соединения 37° SAE J514
Данный фитинг поставляется без уплотнительных шайб, предполагается использование стандартных или совместимых уплотнений. Изготовлен из высококачественной стали для оптимальной прочности и долговечности. Для применения в условиях повышенной коррозионной активности или агрессивных сред доступен вариант из нержавеющей стали AISI 316. Для заказа этой версии необходимо заменить первые две цифры артикула с 20 на 21 (например, 214623.3). Обратите внимание, что продукция из нержавеющей стали поставляется только по плановым заказам.