Угловой адаптер 90° под кольцо DS20 M30x2 в сборе арт. 604220 от Cast
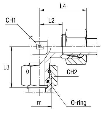
Угловой адаптер 90° под кольцо DS20 M30x2 в сборе. Соединения с врезным кольцом (DIN 2353). Угловые адаптеры 90°
Это высоконадежный угловой адаптер 90° (артикул 604220) от производителя CAST. Предназначен для создания компактного и герметичного углового подключения в гидравлических системах. Он относится к тяжелой Серии S (Heavy Duty) и идеально подходит для применения в условиях высокого рабочего давления, характерных для мобильной строительной техники, тяжелого промышленного оборудования и высоконапорных маслопроводов.
Конструктивно данный элемент представляет собой корпус углового фитинга CAST с метрической резьбой M30x2 и патрубком под врезное кольцо. Соединение соответствует международному стандарту DIN 2353 (ISO 8434-1) и обеспечивает надежное, безсварочное подключение к стальным трубам диаметром 20 мм. Конструкция с конусностью 24° гарантирует максимальную герметичность при динамических и вибрационных нагрузках в системе.
- Рабочее давление (WP): 420 бар
- Номинальный диаметр трубы (D1): 20 мм
- Стандарт трубного соединения: 24° DIN 2353
- Резьба 1: M30x2
- Серия: S (Heavy Duty)
- Размер под ключ (CH2 / CH1): 36 / 27 мм
Адаптер поставляется в сборе (с гайкой и врезным кольцом) для немедленной установки. Стандартное исполнение (префикс 60...) выполнено из стали с защитным покрытием. Для эксплуатации в агрессивных средах, где требуется повышенная коррозионная стойкость, доступна версия из нержавеющей стали AISI 316. Для заказа нержавеющего исполнения необходимо изменить префикс артикула с 60... на 61....