Угловой адаптер 90° под кольцо DL22 M30x2 в сборе арт. 604210 от Cast
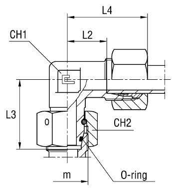
Угловой адаптер 90° под кольцо DL22 M30x2 в сборе. Соединения с врезным кольцом (DIN 2353). Угловые адаптеры 90°
Представляем угловой адаптер (90°) артикул 604210 от производителя CAST, предназначенный для создания герметичных и компактных трубных соединений в гидравлических системах. Этот фитинг CAST используется в станочном оборудовании, мобильной технике и общепромышленных установках, где требуется изменение направления потока на 90 градусов при стандартном рабочем давлении. Изделие принадлежит к серии L (легкая) и обеспечивает надежное подключение компонентов.
Конструкция представляет собой цельнометаллический угловой адаптер, выполненный в сборе и готовый к монтажу. Изделие полностью соответствует требованиям стандарта DIN 2353 для трубного соединения с углом конуса 24°. Адаптер гарантирует надежную стыковку с трубами наружным диаметром 22 мм. Присоединительная резьба M30x2 обеспечивает прочное и виброустойчивое крепление в корпусе или гидравлическом блоке.
- Рабочее давление (WP): 250 бар
- Диаметр трубы (D1): 22 мм
- Резьба 1: M30x2
- Стандарт соединения: Соединения 24° DIN 2353 (метрическая)
- Размер под ключ CH1 / CH2: 27 мм / 36 мм
- Длина L4 (Общая габаритная): 44 мм
Стандартное исполнение адаптера выполнено из высококачественной стали с антикоррозийным покрытием. Для применения в агрессивных или высококоррозионных средах (например, в химической промышленности или судостроении) доступна версия из нержавеющей стали AISI 316. Для заказа коррозионностойкого исполнения необходимо изменить префикс артикула с 60... на 61..., сохраняя при этом все технические параметры и надежность гидравлического фитинга.