Угловой адаптер 90° под кольцо DL12 M18x1.5 в сборе арт. 604207 от Cast
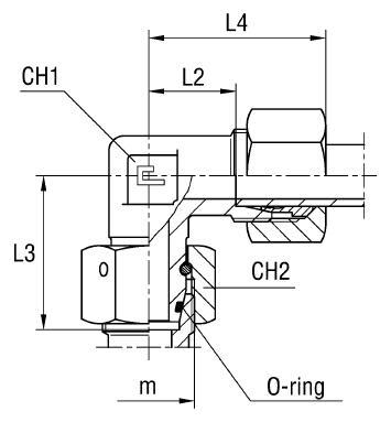
Угловой адаптер 90° под кольцо DL12 M18x1.5 в сборе. Соединения с врезным кольцом (DIN 2353). Угловые адаптеры 90°
Этот угловой адаптер 90° артикул 604207 производства CAST серии L предназначен для высоконадежного изменения направления гидравлических линий. Он обеспечивает компактное и герметичное подключение в системах со стандартным рабочим давлением до 400 бар. Применяется в стационарных промышленных установках, мобильной технике, сельскохозяйственном оборудовании и машиностроении, где требуется эффективная трассировка трубопроводов.
Конструкция представляет собой монолитный угловой фитинг, оптимизированный для работы с трубными соединениями 24° DIN 2353. Метрическая резьба M18x1.5 и посадочное место под кольцо для трубы диаметром 12 мм гарантируют прецизионное и герметичное сопряжение. Данный адаптер обеспечивает устойчивость к вибрациям и пульсациям давления, что критически важно для долговечности гидравлической системы.
- Рабочее давление (WP): 400 бар
- Диаметр трубы (D1): 12 мм
- Резьба 1: M18x1.5
- Стандарт соединения: DIN 2353, 24° конус
- Серия: L (легкая)
- Размер под ключ (CH1/CH2): 17 мм / 22 мм
- Габаритные длины (L1/L2/L3/L4): 24 мм / 17 мм / 29.5 мм / 32 мм
Стандартное исполнение из высококачественной стали обеспечивает оптимальную прочность и ресурс. Для эксплуатации в условиях повышенной влажности, воздействия химически агрессивных сред или морской воды доступна версия из нержавеющей стали AISI 316. Для заказа нержавеющего исполнения необходимо изменить префикс артикула с 60... на 61.... Этот гидравлический фитинг CAST поставляется в сборе, полностью готовым к монтажу, минимизируя время установки.