Угловой адаптер 90° JIC(Г)-UNF(Ш) 9/16" арт. 204603.3 от Cast
Угловой адаптер 90° JIC(Г)-UNF(Ш) 9/16". Соединения под развальцовку 37° (JIC). Угловой ввертной адаптер 90° UNF (ORB)
Адаптер угловой 90° артикул 204603.3 от CAST предназначен для формирования герметичного и компактного соединения в гидравлических системах. Этот фитинг CAST универсальной серии разработан для использования в стандартных условиях давления, подходящих для широкого спектра применений, включая промышленное оборудование, мобильную технику и узлы, где требуется эффективное перенаправление потока рабочей среды (например, масел, топлива).
Конструкция адаптера представляет собой угловой элемент с внутренним и наружным коническим соединением 37° по стандарту SAE J514. Это обеспечивает надежное и безотказное подключение к гидравлическим шлангам или трубкам без использования сварки, сокращая время монтажа и повышая общую надежность системы. Гарантируется совместимость с соответствующими трубными соединениями стандарта JIC (Joint Industry Council).
- Артикул: 204603.3
- Рабочее давление (WP): 350 бар
- Диаметр подключаемой трубы D1: 10 мм
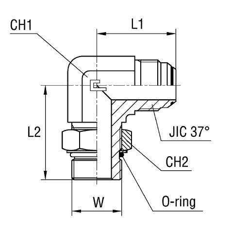
- Резьба JIC 37° A: 9/16-18 UNF (гайка)
- Резьба W: 9/16-18 UNF (штуцер)
- Размер под ключ CH1: 14 мм
- Размер под ключ CH2: 17 мм
- Длина L1: 27.5 мм
- Длина L2: 32 мм
- Стандарт ТС: Соединения 37° SAE J514
Стандартное исполнение адаптера выполнено из стали. Для применения в агрессивных средах или при повышенных требованиях к коррозионной стойкости, доступна версия из нержавеющей стали AISI 316. Для заказа адаптера из нержавеющей стали необходимо изменить первые две цифры артикула с "20" на "21" (например, 214603.3). Данные позиции доступны по плановым заказам.