Угловой адаптер 90° JIC(Г)-UNF(Ш) 7/8" арт. 204605.3 от Cast
Угловой адаптер 90° JIC(Г)-UNF(Ш) 7/8. Соединения под развальцовку 37° (JIC). Угловой ввертной адаптер 90° UNF (ORB)
Представляем угловой адаптер CAST артикул 204605.3 — это элемент универсальной серии, разработанный для создания герметичных и компактных угловых подключений в гидравлических системах. Изделие обеспечивает надежное соединение JIC(Г) с резьбой UNF(Ш), являясь оптимальным решением для организации трубопроводов с ограниченным пространством. Основными областями применения являются станки, мобильная техника, а также гидравлические системы, работающие с маслами и топливом при стандартном и умеренно высоком давлении.
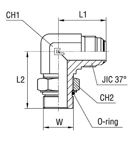
Конструктивно адаптер представляет собой угловой фитинг с внешним и внутренним резьбовым соединением, который гарантирует герметичность при монтаже. Продукция соответствует стандарту SAE J514, что подтверждает её совместимость с широким спектром трубных соединений JIC 37°. Совместимость с трубными диаметрами 14-15-16 мм и 5/8 дюйма, а также конусность 37° обеспечивают надежную фиксацию и предотвращают утечки в системе.
- Артикул: 204605.3
- Бренд: CAST
- Рабочее давление (WP): 350 бар
- Резьба JIC 37° A: 7/8-14
- Резьба W: 7/8-14
- Диаметр трубы D1: 14-15-16 мм
- Диаметр трубы W: 5/8 дюйма
- Длина L1: 37 мм
- Длина L2: 43 мм
- Размер под ключ CH1: 22
- Размер под ключ CH2: 27
- Стандарт трубного соединения: Соединения 37° SAE J514
Для заказа адаптера из нержавеющей стали (AISI 316) необходимо изменить первые две цифры артикула с 20 на 21, например: 214605.3. Данная модификация обеспечит повышенную коррозионную стойкость и пригодность для использования в агрессивных средах. Изделия из нержавеющей стали доступны к заказу только по предварительной договоренности. Представленный фитинг CAST поставляется без уплотнительных шайб или дополнительных наконечников, что позволяет пользователю самостоятельно выбрать необходимые комплектующие для конкретных условий эксплуатации.