Угловой адаптер 90° JIC(Г)-UNF(Ш) 7/16" арт. 204601.3 от Cast
Угловой адаптер 90° JIC(Г)-UNF(Ш) 7/16. Соединения под развальцовку 37° (JIC). Угловой ввертной адаптер 90° UNF (ORB)
Угловой фитинг CAST артикул 204601.3 представляет собой высококачественный адаптер, предназначенный для создания герметичных и компактных угловых соединений в гидравлических системах. Изделие от производителя CAST, универсальной серии, широко применяется в низконапорных и стандартных напорных контурах, а также в системах смазки, подачи топлива и в специализированном оборудовании, включая станки и мобильную технику.
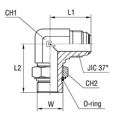
Конструктивно адаптер является угловым элементом с углом 90°, обеспечивающим надежное и удобное подключение в условиях ограниченного пространства. Он соответствует стандарту трубное соединение SAE J514 37°, что гарантирует совместимость с соответствующими трубопроводами и компонентами. Резьбовые соединения JIC (фитинги с конусом 37°) и UNF обеспечивают высокую степень герметичности и прочности.
- Рабочее давление (WP): 400 бар
- Резьба JIC 37° (A): 7/16-20 (мама)
- Резьба UNF (W): 7/16-20 (папа)
- Диаметр присоединяемой трубы (D1): 6 мм
- Диаметр присоединяемой трубы (W): 1/4 дюйма
- Размер под ключ (CH1): 11 мм
- Размер под ключ (CH2): 14 мм
- Длина L1: 23 мм
- Длина L2: 27 мм
Изделие поставляется без дополнительных комплектующих. Стандартно адаптер изготавливается из стали. Для обеспечения коррозионной стойкости и эксплуатации в агрессивных средах доступны варианты из нержавеющей стали AISI 316. При заказе такого исполнения необходимо заменить префикс артикула с 20... на 21... (например, 214601.3). Продукция из нержавеющей стали доступна исключительно по плановым заказам.