Угловой адаптер 90° JIC(Г)-UNF(Ш) 1-1/16" арт. 204606.3 от Cast
Угловой адаптер 90° JIC(Г)-UNF(Ш) 1-1/16". Соединения под развальцовку 37° (JIC). Угловой ввертной адаптер 90° UNF (ORB)
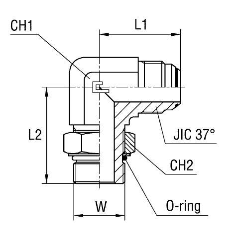
Угловой адаптер CAST артикул 204606.3 представляет собой компактное резьбовое соединение, предназначенное для формирования герметичных трубопроводов под углом 90 градусов. Этот элемент универсальной серии от производителя CAST обеспечивает надежное подключение в гидравлических системах, критически важное при ограничениях по пространству. Применяется в стационарном оборудовании, мобильной технике и промышленных гидравлических установках, работающих со стандартным и высоким давлением.
Конструктивно адаптер выполнен в виде полого углового фитинга, обеспечивающего эффективную интеграцию в гидравлические контуры. Он разработан в соответствии со стандартом SAE J514, гарантируя полную совместимость с трубными соединениями JIC 37° (конусность 37 градусов). Это обеспечивает надежное и герметичное трубное соединение с минимальной вероятностью утечек даже при значительных температурных и вибрационных нагрузках.
- Артикул: 204606.3
- Рабочее давление (WP): 350 бар
- Диаметр трубы D1: 18-20 мм
- Резьба JIC 37° A: 1 1/16-12
- Резьба W: 1 1/16-12
- Размер под ключ CH1: 27 мм
- Размер под ключ CH2: 32 мм
- Длина L1: 42 мм
- Длина L2: 49.5 мм
- Стандарт: Соединения 37° SAE J514
Позиция доступна для заказа из стали (артикул начинается с 20....). Для применения в агрессивных средах или при повышенных требованиях к коррозионной стойкости, доступна версия из нержавеющей стали AISI 316. Для заказа изделия из нержавеющей стали необходимо заменить первые две цифры артикула на 21 (например, 214606.3). Комплектность обычно включает сам адаптер, без уплотнительных шайб, которые заказываются отдельно в зависимости от типа применяемого уплотнения.