Угловой адаптер 90° JIC 9/16" (Г-Ш) арт. 204003.3 от Cast
Угловой адаптер 90° JIC 9/16" (Г-Ш). Соединения под развальцовку 37° (JIC). Угловые адаптеры 90°
Угловой адаптер 90° с артикулом 204003.3 производства фитинг CAST предназначен для изменения направления потока рабочей среды в гидравлических магистралях. Данный компонент обеспечивает компактное и надежное подключение под прямым углом (90°) в условиях ограниченного монтажного пространства. Применяется в стационарных и мобильных гидравлических системах стандартного и высокого давления (до 350 бар), включая станочное оборудование, сельскохозяйственную и строительную технику.
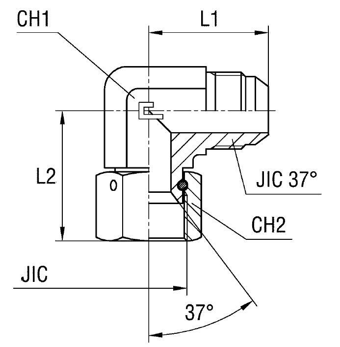
Конструктивно адаптер представляет собой угловой фитинг с наружной и внутренней резьбой. Соединение полностью соответствует международному стандарту JIC 37° (SAE J514), гарантируя высокую герметичность и устойчивость к вибрациям при использовании с трубными соединениями. Номинальный диаметр предназначен для работы с трубкой 3/8" (W), обеспечивая оптимальную пропускную способность для указанных параметров рабочего давления.
- Рабочее давление (WP): 350 бар
- Стандарт соединения: JIC 37° SAE J514
- Резьба (R9): 9/16-18 UNF
- Номинальный диаметр трубы (D1): 10 мм
- Размер под ключ 2 (CH2): 19 мм
Стандартное исполнение детали выполнено из оцинкованной углеродистой стали. Для применения в агрессивных и коррозионных средах возможно исполнение из нержавеющей стали (AISI 316). Для заказа коррозионно-стойкого варианта необходимо изменить префикс артикула с 20.... на 21..... Обращаем внимание, что данный тип углового трубное соединение доступен исключительно при формировании плановых заказов.