Угловой адаптер 90° JIC 7/8" (Г-Ш) арт. 204005.3 от Cast
Угловой адаптер 90° JIC 7/8" (Г-Ш). Соединения под развальцовку 37° (JIC). Угловые адаптеры 90°
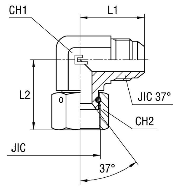
Этот угловой адаптер 90° (артикул 204005.3) от производителя **CAST** предназначен для компактного изменения направления потока в гидравлических системах. Изделие универсальной серии обеспечивает надежное **соединение 37° SAE J514** типа "гайка-штуцер" (Г-Ш) для труб и шлангов. Оптимально подходит для мобильной и стационарной техники, станков, а также промышленного оборудования, где требуется рабочее давление до 350 бар и эффективное использование пространства.
Конструктивно представляет собой литой угловой **гидравлический фитинг CAST** с углом 90 градусов, оснащенный одной внешней (male) и одной внутренней (female) резьбой 7/8-14 JIC. Соединение соответствует стандарту SAE J514 (JIC 37°), что гарантирует герметичность за счет металлического конического уплотнения без использования дополнительных шайб. Разработан для совместимости с трубными соединениями диаметром 5/8 дюйма, обеспечивая прочное и долговечное подключение.
- Рабочее давление (WP): 350 бар
- Резьба: 7/8-14 JIC (UNF)
- Совместимый наружный диаметр трубы (W): 5/8 дюйма
- Стандарт трубного соединения: Соединения 37° SAE J514
- Размер под ключ 1 (CH1): 22 мм
- Размер под ключ 2 (CH2): 27 мм
- Длина L1: 37 мм
- Длина L2: 41,6 мм
- Внутренний диаметр (M1/D1): 14-15-16 мм
Стандартное исполнение адаптера поставляется из высокопрочной стали. Для применений, требующих повышенной коррозионной стойкости или работы в агрессивных средах, доступен вариант из нержавеющей стали AISI 316. Для заказа изделия из нержавеющей стали необходимо изменить первые две цифры артикула с **20....** на **21....**. Данная позиция доступна только по плановым заказам, что гарантирует поставку под специфические проектные требования.