Угловой адаптер 90° JIC 3/4" (Г-Ш) арт. 204004.3 от Cast
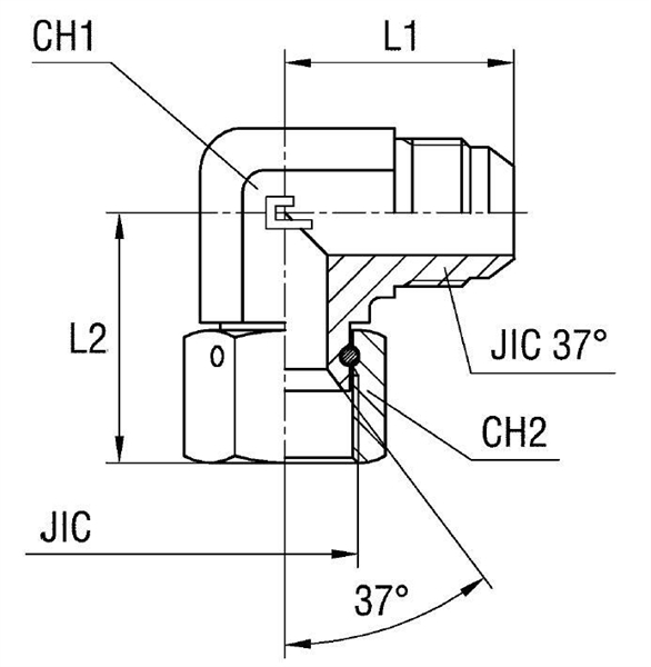
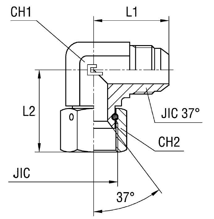
Угловой адаптер 90° JIC 3/4" (Г-Ш). Соединения под развальцовку 37° (JIC). Угловые адаптеры 90°
Угловой адаптер серии 20 (артикул 204004.3) производства фитинг CAST предназначен для изменения направления гидравлической линии на 90 градусов. Он обеспечивает компактное и герметичное подключение рукавов высокого давления (РВД) или жестких труб в системах, где требуется минимизировать радиус изгиба. Изделие используется для стандартных гидравлических приложений, включая станочное оборудование, сельскохозяйственную и мобильную технику, работающую под давлением до 350 бар.
Данная конструкция представляет собой монолитный угловой элемент, сочетающий внутреннюю и наружную резьбу. Адаптер соответствует американскому промышленному стандарту JIC (Joint Industrial Council) 37° SAE J514, гарантируя высоконадежное трубное соединение. Уплотнение достигается за счет точного конуса 37°, что исключает необходимость в дополнительных кольцевых прокладках. Адаптер разработан для оптимизации монтажных работ в условиях ограниченного пространства.
- Рабочее давление (WP): 350 бар
- Стандарт соединения: JIC 37° SAE J514
- Резьба: 3/4-16 UNF (универсальная мелкошаговая)
- Диаметр трубы (номинальный): 1/2 дюйма
- Размер под ключ 1 / 2 (CH1 / CH2): 19 мм / 22 мм
Стандартное исполнение выполнено из высокопрочной углеродистой стали с защитным гальваническим покрытием. Для эксплуатации в агрессивных средах или при повышенных требованиях к коррозионной стойкости доступно исполнение из нержавеющей стали (маркировка AISI 316), для заказа которого необходимо изменить префикс артикула с 20 на 21. Позиция 204004.3 доступна преимущественно в рамках плановых проектных поставок.