Угловой адаптер 90° JIC 1-5/16" (Г-Ш) арт. 204007.3 от Cast
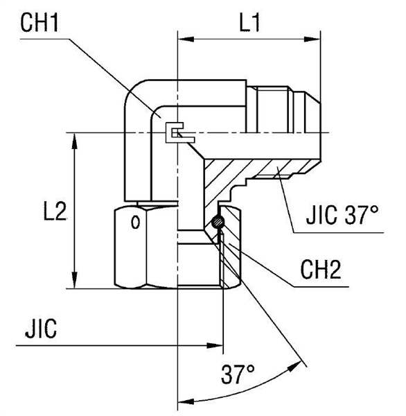
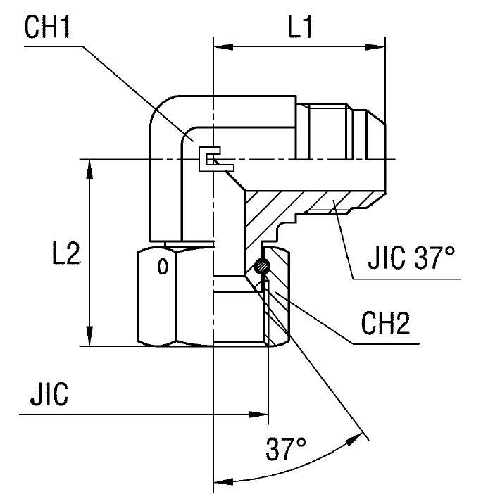
Угловой адаптер 90° JIC 1-5/16" (Г-Ш). Соединения под развальцовку 37° (JIC). Угловые адаптеры 90°
Представляем угловой гидравлический адаптер 90° (Г-Ш) с артикулом 204007.3 от CAST Универсальной серии. Этот высококачественный фитинг JIC обеспечивает компактное и надежное изменение направления потока гидравлической жидкости под углом 90 градусов в системах с рабочим давлением до 290 бар. Адаптер идеально подходит для использования в мобильной технике, станках, промышленном оборудовании, а также для систем, транспортирующих масла, топливо и смазочные материалы, где требуется герметичное и долговечное соединение.
Конструкция типа "Г-Ш" (Female-Male) обеспечивает удобство монтажа и надежность в эксплуатации, минимизируя утечки. Адаптер полностью соответствует стандарту SAE J514 для соединений 37° JIC, что гарантирует прочное и герметичное металл-по-металлу уплотнение. Резьбовое соединение 1 5/16-12 UN/UNF разработано для безупречной интеграции с трубными системами JIC, обеспечивая высокую степень безопасности и долговечности гидравлического контура.
- Артикул: 204007.3
- Рабочее давление (WP): 290 бар
- Резьба JIC: 1 5/16-12
- Номинальный диаметр трубы: 1" (25 мм)
- Размер под ключ CH1: 33 мм
- Размер под ключ CH2: 41 мм
- Длина L1: 46 мм
- Длина L2: 51,4 мм
- Стандарт соединения: 37° SAE J514
Стандартное исполнение адаптера выполнено из высококачественной стали. Для условий, требующих повышенной коррозионной стойкости или работы с агрессивными средами (например, в морской или пищевой промышленности), возможно заказать версию из нержавеющей стали. Для этого необходимо изменить первые две цифры артикула с `20....` на `21....`. Данная позиция доступна исключительно для плановых заказов, что обеспечивает оптимальное планирование и поставку специализированных компонентов для ваших проектов.