Угловой адаптер 90° JIC 1/2" (Г-Ш) арт. 204002.3 от Cast
Угловой адаптер 90° JIC 1/2" (Г-Ш). Соединения под развальцовку 37° (JIC). Угловые адаптеры 90°
Представляем угловой адаптер 90° от производителя CAST, артикул 204002.3, из универсальной серии. Этот гидравлический адаптер предназначен для создания герметичного, углового подключения в гидравлических системах, позволяя эффективно изменять направление потока рабочей жидкости на 90 градусов. Оптимален для применения в условиях ограниченного пространства, где требуется компактное и надежное подключение, например, в мобильной технике, на станках и в различных промышленных гидравлических установках, работающих под давлением до 450 бар.
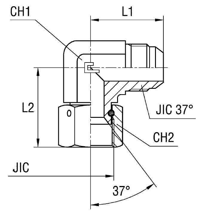
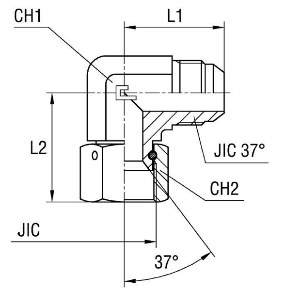
Конструктивно адаптер представляет собой угловой фитинг с одной стороной, выполненной как наружная резьба, и другой — как внутренняя резьба, обе выполнены по стандарту JIC 37° SAE J514. Такая конструкция обеспечивает высокую герметичность и надежность соединения с соответствующими трубными наконечниками благодаря конусному уплотнению 37°. Изделие обеспечивает стабильную работу в стандартных и высоконагруженных гидравлических контурах, где требуется точное позиционирование и долговечность трубного соединения.
- Рабочее давление (WP): 450 бар
- Тип резьбы 1 (наружная): 1/2-20 UNF, JIC 37°
- Тип резьбы 2 (внутренняя): 1/2-20 UNF, JIC 37°
- Номинальный диаметр трубы: 5/16"
- Стандарт соединения: SAE J514 (JIC 37° Flare)
- Размер под ключ CH1: 14 мм
- Размер под ключ CH2: 17 мм
- Длина L1: 24 мм
- Длина L2: 27 мм
Стандартное исполнение адаптера выполнено из высококачественной стали. Для применения в агрессивных и коррозионно-активных средах, таких как морская гидравлика или химическая промышленность, доступен вариант из нержавеющей стали AISI 316. Для заказа изделия из нержавеющей стали необходимо изменить первые две цифры артикула с 20.... на 21..... Обратите внимание, что данная позиция доступна только по плановым заказам.