Угловая муфта-переходник BSP 3/8" (Г-Г) арт. 306603 от Cast
Угловая муфта-переходник BSP 3/8" (Г-Г). Соединения с уплотнением по конусу 60° (BSP). Угловой фитинг 90° BSP с накидной гайкой
Представляем угловую соединительную муфту-переходник (артикул 306603) производства CAST. Это незаменимый элемент для компактного изменения направления потока на 90 градусов и соединения гибких рукавов или жестких трубопроводов в гидравлических системах. Изделие относится к универсальной серии и предназначено для использования в станочном оборудовании, подъемно-транспортных механизмах, а также в промышленных гидравлических контурах, работающих при стандартном и высоком давлении.
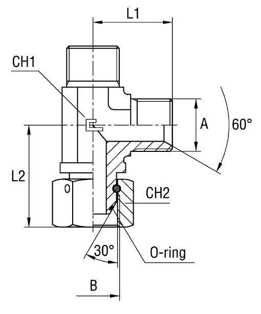
Конструкция выполнена в виде 90-градусного колена с двумя внутренними резьбами BSP 3/8". Муфта обеспечивает надежное трубное соединение за счет соответствия уплотнению под конус 60° по стандарту BS-5200. Такая конфигурация гарантирует высокую герметичность и позволяет создавать надежные узлы без необходимости сварки, существенно упрощая и ускоряя процессы монтажа и обслуживания гидросистем на объекте.
- Рабочее давление (WP): 400 бар
- Тип резьбы и размер (A/B): BSP 3/8" (внутренняя)
- Стандарт соединения: 60° BS-5200
- Размеры под ключ (CH1/CH2): 19 мм и 22 мм
- Общая длина (L1/L2): 29 мм / 37 мм
Стандартное исполнение муфты выполнено из углеродистой стали с высокопрочным защитным покрытием. Для систем, требующих повышенной коррозионной стойкости или работы с агрессивными средами (морское оборудование, химическая промышленность), доступен вариант исполнения из нержавеющей стали AISI 316. Для заказа нержавеющего исполнения необходимо изменить префикс артикула с 30... на 31.... Данный фитинг CAST поставляется без дополнительных уплотнительных шайб или колец, которые приобретаются отдельно в зависимости от типа ответного элемента.