Угловая муфта-переходник BSP 3/4" (Г-Г) арт. 306606 от Cast
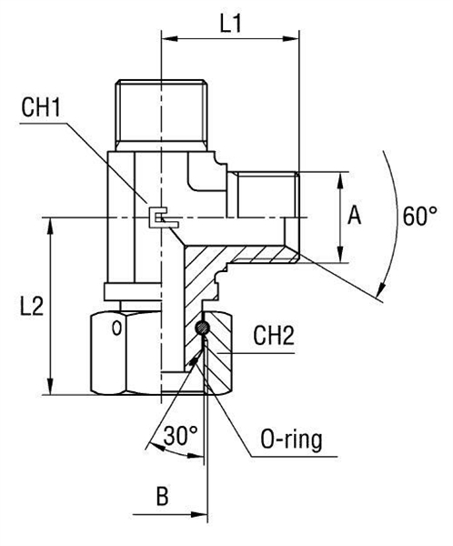
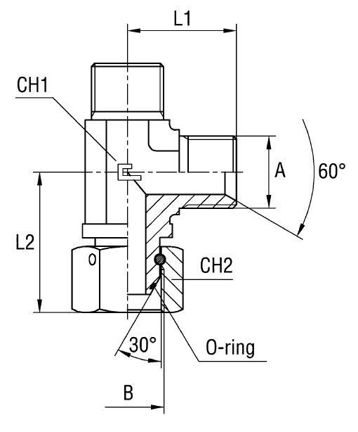
Угловая муфта-переходник BSP 3/4" (Г-Г). Соединения с уплотнением по конусу 60° (BSP). Угловой фитинг 90° BSP с накидной гайкой
Представляем угловую муфту-переходник CAST артикул 306606 из универсальной серии, предназначенную для герметичного и компактного изменения направления потока в гидравлических системах. Этот гидравлический фитинг CAST обеспечивает надежное соединение двух элементов с наружной резьбой BSP 3/4", формируя 90-градусный изгиб. Изделие оптимально для применения в широком спектре оборудования, включая станки, мобильную и сельскохозяйственную технику, где требуется эффективная коммутация при рабочем давлении до 315 бар.
Конструктивно муфта представляет собой угловой адаптер типа "мама-мама" (Г-Г) с внутренней резьбой BSP по обеим сторонам. Соответствие стандарту трубных соединений 60° BS-5200 гарантирует совместимость и надежное уплотнение при монтаже с элементами, имеющими соответствующий конус. Такая конфигурация минимизирует количество точек потенциальных утечек и упрощает трассировку гидравлических линий в стесненных условиях, обеспечивая долговечность и безопасность BSP соединения.
- Рабочее давление (WP): 315 бар
- Стандарт резьбы (A & B): BSP 3/4"
- Размер под ключ 1 (CH1): 27 мм
- Размер под ключ 2 (CH2): 32 мм
- Стандарт трубного соединения: Соединения 60° BS-5200
- Длина L1: 41 мм
- Длина L2: 53,5 мм
Стандартное исполнение муфты изготовлено из высокопрочной стали, что обеспечивает долговечность в условиях стандартных промышленных сред. Для применений, требующих повышенной коррозионной стойкости или работы с агрессивными жидкостями, доступен вариант из нержавеющей стали AISI 316. Для заказа изделия из нержавеющей стали необходимо изменить префикс артикула с "30..." на "31...". Муфта поставляется как самостоятельный элемент; уплотнительные шайбы для трубных соединений приобретаются отдельно в случае необходимости использования USIT-уплотнений, хотя стандарт BSP 60° конус обеспечивает металлическое уплотнение.