Угловая муфта-переходник BSP 1/4" (Г-Г) арт. 306602 от Cast
Угловая муфта-переходник BSP 1/4" (Г-Г). Соединения с уплотнением по конусу 60° (BSP). Угловой фитинг 90° BSP с накидной гайкой
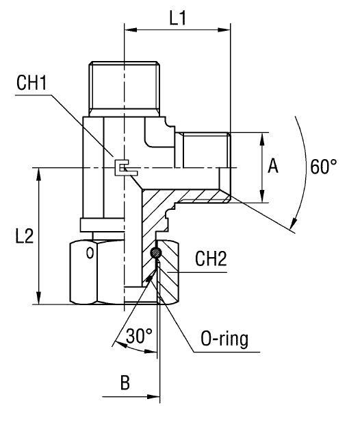
Данная угловая муфта-переходник артикулом 306602 производства CAST представляет собой фитинг универсальной серии, предназначенный для создания герметичных угловых соединений в гидравлических системах. Обеспечивает компактное подключение компонентов под углом 90 градусов, что особенно актуально при монтаже в ограниченном пространстве. Применяется в системах с рабочим давлением до 400 бар, включая мобильную технику, станки и общепромышленные установки.
Конструкция фитинга предусматривает угловое исполнение с двумя наружными резьбами BSP 1/4". Соответствует стандарту соединений 60° BS-5200, обеспечивая надежное и герметичное сопряжение с соответствующими трубными фитингами. Такая конфигурация позволяет избежать изломов трубопроводов и облегчает монтаж.
- Тип соединения: Угловая муфта-переходник
- Производитель: CAST
- Артикул: 306602
- Рабочее давление (WP): 400 бар
- Размер резьбы (B, A): 1/4" BSP
- Соответствие стандарту: 60° BS-5200
- Размер под ключ 1 (CH1): 14 мм
- Размер под ключ 2 (CH2): 19 мм
- Длина L1: 26 мм
- Длина L2: 33 мм
Для заказа изделия из нержавеющей стали AISI 316 (обеспечивает высокую коррозионную стойкость в агрессивных средах) необходимо использовать артикул, начинающийся с префикса 31... вместо 30.... Данный фитинг CAST является важным элементом для построения надежных гидравлических контуров. При подборе учитывайте соответствие стандартов и размеров для обеспечения герметичности трубного соединения.