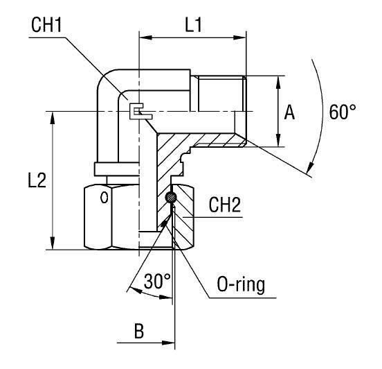
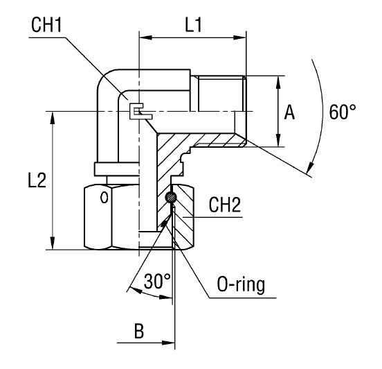
Угловая муфта 90° M22x1.5(Г) - M22x1.5(Г) арт. 306506 от Cast
Угловая муфта 90° M22x1.5(Г) - M22x1.5(Г). Соединения с уплотнением по конусу 60° (BSP). Угловой фитинг 90° Metric с накидной гайкой
Угловая муфта CAST, артикул 306506, предназначена для создания надежного соединения под углом 90 градусов в гидравлических системах. Используется для компактного подключения компонентов в гидросистемах станков, мобильной технике и промышленном оборудовании, работающих со стандартным давлением.
Данная угловая муфта обеспечивает надежное трубное соединение благодаря резьбовому соединению M22x1.5(Г) с обеих сторон. Конструкция соответствует стандарту соединений 60° BS-5200, что гарантирует совместимость с широким спектром оборудования.
- Рабочее давление (WP): 350 бар
- Размер под ключ 1 (CH1): 22 мм
- Размер под ключ 2 (CH2): 27 мм
- Длина L1: 34 мм
- Длина L2: 44 мм
- Размер A (USIT): 22x1.5
- Размер B: 22x1.5
Поставляется без уплотнительных элементов. Изделие выполнено из стали. Для заказа угловой муфты фитинг CAST из нержавеющей стали AISI 316, необходимо заменить префикс артикула с 30 на 31. Доступность уточняйте при заказе. Рекомендуется для применения в условиях, не требующих высокой коррозионной стойкости.