Угловая муфта 90° M20x1.5(Г) - M20x1.5(Г) арт. 306505 от Cast
Угловая муфта 90° M20x1.5(Г) - M20x1.5(Г). Соединения с уплотнением по конусу 60° (BSP). Угловой фитинг 90° Metric с накидной гайкой
Данная угловая муфта (колено) с артикулом 306505, производства CAST (универсальная серия), предназначена для эффективного и герметичного изменения направления потока рабочей жидкости в гидравлических системах на 90 градусов. Изделие используется в гидравлике среднего давления, достигая показателя 350 бар. Основные сферы применения включают станочное оборудование, мобильную спецтехнику и промышленные установки, где требуется компактное угловое трубное соединение.
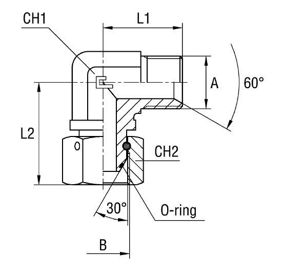
Конструктивно фитинг представляет собой литую угловую деталь с внутренней метрической резьбой М20х1.5 на обоих концах. Муфта обеспечивает надежное гидравлическое соединение и соответствует международному стандарту 60° BS-5200 (конусное уплотнение). Применяется для стыковки жестких гидравлических труб, а также гибких рукавов высокого давления с соответствующими оконечными элементами (фитингами), обеспечивая минимальные потери давления и высокую надежность при вибрационных нагрузках.
- Рабочее давление (WP): 350 бар
- Размер подключения A (USIT): M20x1.5 (внутренняя резьба)
- Размер подключения B: M20x1.5 (внутренняя резьба)
- Стандарт уплотнения: Соединения 60° BS-5200
- Размер под ключ 1 (CH1): 22 мм
- Размер под ключ 2 (CH2): 27 мм
Стандартное исполнение муфты выполнено из стали с гальваническим покрытием. Для эксплуатации в условиях повышенной влажности, воздействия агрессивных химических сред или на морских объектах, доступен вариант из высокопрочной нержавеющей стали AISI 316. Для заказа изделия из нержавеющей стали необходимо сменить префикс артикула с 30 на 31. Обращаем внимание, что данная позиция поставляется исключительно по предварительному запросу.