Угловая муфта 90° M18x1.5(Г) - M18x1.5(Г) арт. 306504 от Cast
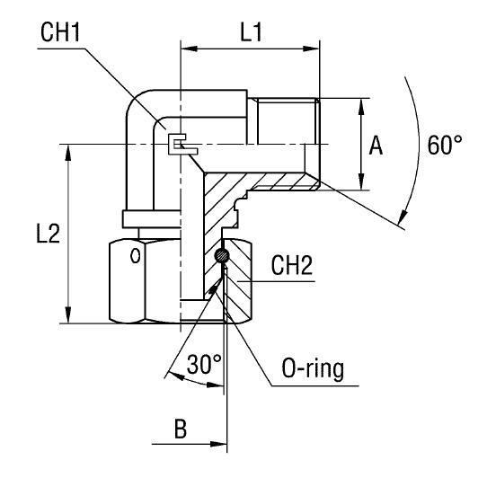
Угловая муфта 90° M18x1.5(Г) - M18x1.5(Г). Соединения с уплотнением по конусу 60° (BSP). Угловой фитинг 90° Metric с накидной гайкой
Эта **угловая муфта гидравлическая** 90° с артикулом 306504 от производителя **CAST** представляет собой высококачественное соединение, предназначенное для формирования герметичного углового подключения в гидравлических системах. Изделие универсальной серии обеспечивает эффективное изменение направления потока под углом 90 градусов, оптимизируя компоновку трубопроводов. Применяется в стационарных и мобильных гидравлических установках, машиностроении и оборудовании, требующем компактных и надежных решений для стандартных и средних давлений.
Данный **гидравлический фитинг CAST** имеет двухстороннюю внутреннюю резьбу M18x1.5, спроектированную для совместимости со стандартами **трубных соединений 60° BS-5200**. Прочная конструкция муфты гарантирует надежность и долговечность соединения, минимизируя риск утечек даже при высоких динамических нагрузках. Оптимизированный внутренний профиль обеспечивает минимальные потери давления, что критично для эффективности работы гидравлических систем.
- Рабочее давление (WP): 400 бар
- Размер под ключ 1 (CH1): 19 мм
- Размер под ключ 2 (CH2): 24 мм
- Длина L1: 29 мм
- Длина L2: 38 мм
- Стандарт трубного соединения: Соединения 60° BS-5200
- Резьба A: M18x1.5 (внутренняя)
- Резьба B: M18x1.5 (внутренняя)
Стандартное исполнение муфты выполнено из высокопрочной стали с защитным покрытием. Для использования в коррозионно-активных или агрессивных средах доступен вариант из нержавеющей стали AISI 316. Для заказа такой модификации необходимо изменить префикс артикула с "30" на "31" (например, 316504). Позиции из нержавеющей стали поставляются только по запросу. Перед монтажом рекомендуется использовать соответствующие **уплотнительные шайбы** для обеспечения максимальной герметичности соединения.