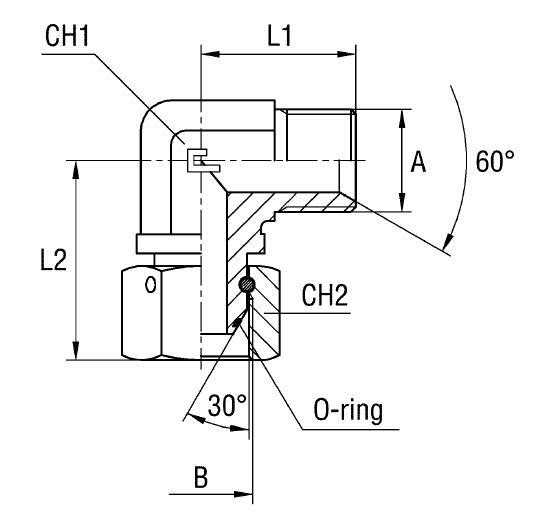
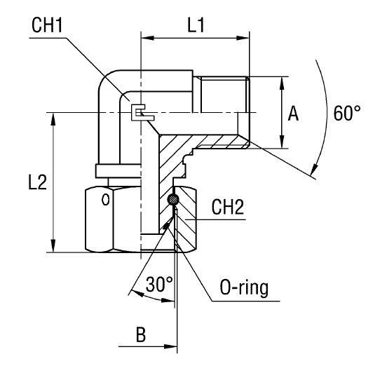
Угловая муфта 90° M14x1.5(Г) - M14x1.5(Г) арт. 306502 от Cast
Угловая муфта 90° M14x1.5(Г) - M14x1.5(Г). Соединения с уплотнением по конусу 60° (BSP). Угловой фитинг 90° Metric с накидной гайкой
Представляем угловую гидравлическую муфту (артикул 306502) производства фитинг CAST. Данное изделие предназначено для изменения направления потока рабочей жидкости в трубопроводе на 90 градусов и обеспечения надежного, герметичного соединения двух элементов с внутренней метрической резьбой M14x1.5. Универсальная серия фитингов рассчитана на работу в системах стандартного и среднего высокого давления, что делает ее идеальным выбором для стационарного промышленного оборудования, станков, а также мобильной гидравлики, топливных и смазочных систем.
Конструктивно муфта выполнена как цельнометаллический угловой корпус. Уплотнение обеспечивается благодаря строгому соответствию конусному профилю стандарта 60° BS-5200. Это гарантирует высокую степень герметичности при монтаже и позволяет использовать муфту в составе сложных магистралей без дополнительных уплотнителей. Совместимость с широким спектром компонентов для трубное соединение обеспечивает быструю и надежную интеграцию в существующие гидравлические линии.
- Рабочее давление (WP): 400 бар
- Тип резьбы (Оба порта): Внутренняя метрическая M14x1.5
- Стандарт соединения: Конус 60° BS-5200
- Размер под ключ CH1 / CH2: 14 мм / 19 мм
- Материал исполнения: Углеродистая сталь
Стандартное исполнение муфты выполнено из высокопрочной углеродистой стали с антикоррозийным покрытием. Для эксплуатации в агрессивных и высококоррозионных средах (морские приложения, химическая промышленность) доступен вариант исполнения из нержавеющей стали AISI 316. Для заказа коррозионностойкого аналога необходимо изменить префикс артикула с 30ХХХХ на 31ХХХХ. Обратите внимание, что изделие из нержавеющей стали доступно только по предварительному запросу.