Угловая муфта 90° M12x1.5(Г) - M12x1.5(Г) арт. 306501 от Cast
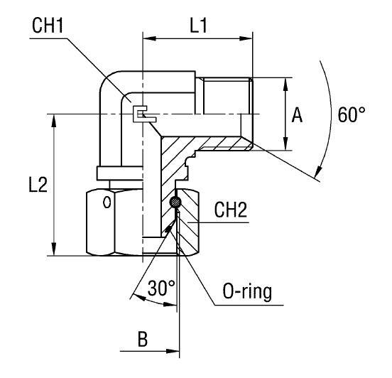
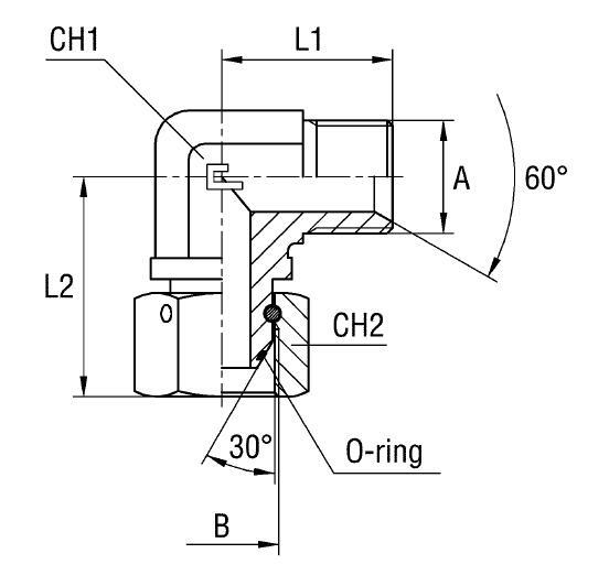
Угловая муфта 90° M12x1.5(Г) - M12x1.5(Г). Соединения с уплотнением по конусу 60° (BSP). Угловой фитинг 90° Metric с накидной гайкой
Данный тип изделия, угловая муфта 90° с артикулом 306501, представляет собой ключевой элемент для создания герметичных угловых соединений в гидравлических системах. Производится компанией CAST в рамках универсальной серии, она предназначена для компактного изменения направления потока жидкости на 90 градусов. Основные области применения включают стационарные и мобильные гидравлические системы, машиностроение, станки, а также оборудование, где требуется надежное подключение компонентов с внутренней резьбой M12x1.5 под стандартное и высокое рабочее давление.
Конструктивно фитинг выполнен в виде полого углового элемента, обеспечивающего прочное и герметичное трубное соединение. Обе стороны муфты оснащены внутренней резьбой M12x1.5, что позволяет интегрировать ее в существующие гидравлические линии. Изделие соответствует стандарту соединений 60° BS-5200, гарантируя высокую степень совместимости и надежности при использовании с соответствующими трубными наконечниками и адаптерами. Оптимизированная геометрия способствует минимизации потерь давления и турбулентности потока.
- Рабочее давление (WP): 400 бар
- Размер под ключ 1 (CH1): 11 мм
- Размер под ключ 2 (CH2): 14 мм
- Длина L1: 21 мм
- Длина L2: 26 мм
- Резьба 1: M12x1.5 (внутренняя)
- Резьба 2: M12x1.5 (внутренняя)
Стандартное исполнение муфты выполнено из стали. Для применения в условиях повышенной агрессивности среды или при необходимости обеспечения высокой коррозионной стойкости, доступна версия из нержавеющей стали AISI 316. Для заказа такой модификации необходимо изменить первые две цифры артикула с `30....` на `31....`. Позиция доступна только по запросу, что позволяет гибко реагировать на специфические потребности проекта, включая использование в пищевой, химической промышленности или морских условиях.