Угловая муфта 90° BSP 3/8"(Г) - 3/8"(Г) арт. 306403 от Cast
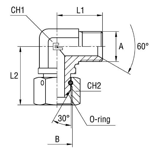
Угловая муфта 90° BSP 3/8"(Г) - 3/8"(Г). Соединения с уплотнением по конусу 60° (BSP). Угловой фитинг 90° BSP с накидной гайкой
Угловая муфта 90° с артикулом 306403 от производителя CAST, входящая в универсальную серию, предназначена для герметичного и компактного изменения направления потока в гидравлических системах на 90 градусов. Этот гидравлический фитинг обеспечивает надежное угловое соединение в широком спектре применений, включая стационарные установки, станки, мобильную технику и системы смазки, где требуется эффективное использование пространства и работа при стандартном давлении до 400 бар.
Данная угловая муфта имеет конструкцию с двумя внутренними резьбами BSP G3/8", обеспечивая прямое подключение к компонентам с наружной резьбой аналогичного стандарта. Соответствие стандарту соединения 60° BS-5200 гарантирует полную совместимость и надежную герметизацию при правильной установке. Муфта позволяет создавать эффективные трубные соединения в стесненных условиях, минимизируя потери давления и предотвращая утечки, что критически важно для надежности гидравлического контура.
- Рабочее давление (WP): 400 бар
- Размер резьбы 1 (A): BSP G3/8" (внутренняя)
- Размер резьбы 2 (B): BSP G3/8" (внутренняя)
- Стандарт соединения: 60° BS-5200
- Размер под ключ 1 (CH1): 19 мм
- Размер под ключ 2 (CH2): 22 мм
- Длина L1: 29 мм
- Длина L2: 37 мм
Стандартное исполнение муфты выполнено из высококачественной стали. Для условий, требующих повышенной коррозионной стойкости или работы с агрессивными средами, доступна версия из нержавеющей стали (предположительно AISI 316). Для заказа такого исполнения необходимо изменить первые две цифры артикула с 30.... на 31..... Обратите внимание, что данная позиция доступна только по запросу для обеспечения соответствия специфическим требованиям вашего проекта.