Угловая муфта 90° BSP 3/4"(Г) - 3/4"(Г) арт. 306406 от Cast
Угловая муфта 90° BSP 3/4"(Г) - 3/4"(Г). Соединения с уплотнением по конусу 60° (BSP). Угловой фитинг 90° BSP с накидной гайкой
Угловая муфта 90° артикул 306406 от CAST предназначена для соединения гидравлических компонентов под углом 90 градусов. Обеспечивает надежное и герметичное соединение в системах с рабочим давлением до 315 бар. Применяется в различных областях, включая станки, мобильную гидравлику и общепромышленные применения.
Конструкция муфты обеспечивает надежное трубное соединение благодаря соответствию стандарту BS-5200 (соединения 60°). Угловая форма позволяет оптимизировать компоновку гидравлических линий в условиях ограниченного пространства. Совместима с фитингами BSP 3/4" с конической резьбой.
- Рабочее давление (WP): 315 бар
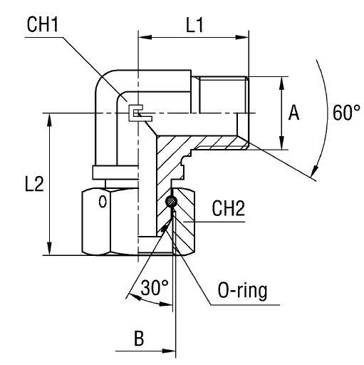
- Размер под ключ 1 (CH1): 27 мм
- Размер под ключ 2 (CH2): 32 мм
- Резьба A (USIT): 3/4" BSP (Г)
- Резьба B: 3/4" BSP (Г)
- Длина L1: 41 мм
- Длина L2: 53,5 мм
Стандартный материал исполнения - сталь. Для применения в агрессивных средах и обеспечения высокой коррозионной стойкости доступна версия из нержавеющей стали. Чтобы заказать фитинг CAST из нержавеющей стали AISI 316, необходимо изменить префикс артикула с 30 на 31 (например, 316406). Пожалуйста, уточняйте наличие и сроки поставки для специальных исполнений.