Угловая муфта 90° BSP 1"(Г) - 1"(Г) арт. 306407 от Cast
Угловая муфта 90° BSP 1"(Г) - 1"(Г). Соединения с уплотнением по конусу 60° (BSP). Угловой фитинг 90° BSP с накидной гайкой
Угловая муфта 90° артикул 306407 от производителя CAST обеспечивает надежное соединение в гидравлических системах. Предназначена для изменения направления потока под прямым углом. Универсальная серия, применяется в системах со стандартным рабочим давлением, подходит для использования с маслами, топливом и другими гидравлическими жидкостями в станочном оборудовании и мобильной технике.
Данная угловая муфта обеспечивает герметичное и надежное трубное соединение благодаря резьбе BSP 1" с обеих сторон. Конструкция соответствует стандарту BS-5200 (соединения 60°), что гарантирует совместимость с широким спектром фитингов и адаптеров.
- Рабочее давление (WP): 250 бар
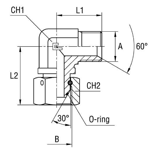
- Размер под ключ 2 (CH2): 41 мм
- Размер под ключ 1 (CH1): 33 мм
- Длина L1: 45 мм
- Длина L2: 60,5 мм
- Стандарт трубного соединения: Соединения 60° BS-5200
- Размер B: 1"
- Размер A (USIT): 1"
Поставляется как отдельный элемент. Материал – сталь с защитным покрытием. Для заказа изделия из нержавеющей стали AISI 316 необходимо заменить префикс артикула с 30 на 31. Использование нержавеющей стали рекомендуется в условиях повышенной коррозионной активности среды. Доступность позиции уточняйте по запросу.