Угловая муфта 90° BSP 1/4"(Г) - 1/4"(Г) арт. 306402 от Cast
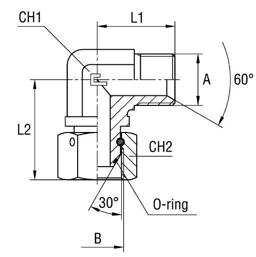
Угловая муфта 90° BSP 1/4"(Г) - 1/4"(Г). Соединения с уплотнением по конусу 60° (BSP). Угловой фитинг 90° BSP с накидной гайкой
Угловая муфта 90° BSP 1/4" x 1/4" (артикул 306402) производства CAST является высокоэффективным фитингом, предназначенным для создания надежных и герметичных соединений в гидравлических системах. Этот компонент обеспечивает компактное подключение под прямым углом, минимизируя изгибы и снижая потери давления. Муфта широко применяется в системах смазки, топливных системах, а также в мобильной и станочной гидравлике, работающих под средним и высоким давлением.
Конструктивно, данная угловая муфта представляет собой разъемный фитинг с наружной резьбой BSP и внутренней конусностью 60°, соответствующий стандарту BS-5200. Обеспечивает надежное соединение с соответствующими трубными наконечниками, гарантируя герметичность и устойчивость к вибрациям. Такая конструкция обеспечивает простоту монтажа и демонтажа, а также совместимость с широким спектром гидравлических компонентов.
- Тип соединения: Угловая муфта 90°
- Резьба: BSP 1/4"(Г) - 1/4"(Г)
- Рабочее давление (WP): 400 бар
- Стандарт: Соединения 60° BS-5200
- Серия: Универсальная
- Размеры под ключ: CH1 = 14 мм, CH2 = 19 мм
- Габаритные размеры: L1 = 26 мм, L2 = 33 мм
Для обеспечения высокой коррозионной стойкости и применения в агрессивных средах, данный фитинг CAST доступен также в исполнении из нержавеющей стали AISI 316. Для заказа данной модификации необходимо изменить префикс артикула: 306402 (стандартное исполнение) на 316402 (нержавеющая сталь). Обращаем внимание, что позиция из нержавеющей стали доступна только по запросу.