Угловая муфта 90° BSP 1/2"(Г) - 1/2"(Г) арт. 306404 от Cast
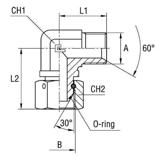
Угловая муфта 90° BSP 1/2"(Г) - 1/2"(Г). Соединения с уплотнением по конусу 60° (BSP). Угловой фитинг 90° BSP с накидной гайкой
Угловая муфта CAST, артикул 306404, предназначена для создания герметичного соединения под углом 90 градусов в гидравлических системах. Данная угловая муфта используется для соединения труб с внутренней резьбой BSP 1/2", подходит для применения в системах со стандартным давлением, например, в станочном оборудовании и стационарных гидравлических установках.
Конструкция муфты обеспечивает надежное трубное соединение, соответствующее стандарту BS-5200 (соединения 60°). Угловая форма упрощает монтаж в условиях ограниченного пространства и позволяет изменить направление потока рабочей жидкости.
- Рабочее давление (WP): 350 бар
- Размер под ключ 2 (CH2): 27 мм
- Размер под ключ 1 (CH1): 22 мм
- Длина L1: 34 мм
- Длина L2: 43 мм
- Размер B: 1/2"
- Размер A (USIT): 1/2"
Стандартное исполнение – сталь. Для заказа муфты из нержавеющей стали AISI 316, замените префикс артикула "30" на "31". Нержавеющая сталь обеспечивает повышенную коррозионную стойкость, что делает муфту пригодной для использования в агрессивных средах и системах, требующих повышенной чистоты рабочей жидкости. Поставляется без дополнительных уплотнительных элементов. Доступно только по запросу.