Угловая муфта 90° BSP 1-1/2"(Г) - 1-1/2"(Г) арт. 306409 от Cast
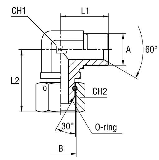
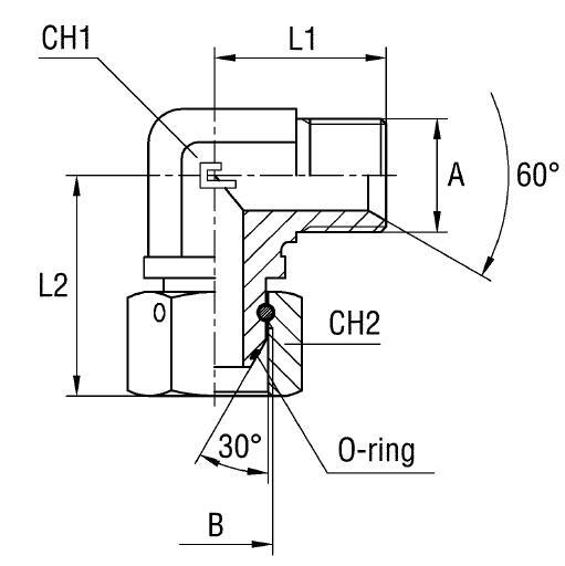
Угловая муфта 90° BSP 1-1/2"(Г) - 1-1/2"(Г). Соединения с уплотнением по конусу 60° (BSP). Угловой фитинг 90° BSP с накидной гайкой
Данная угловая муфта CAST с артикулом 306409 представляет собой универсальный фитинг для изменения направления потока в гидравлических системах на 90 градусов. Произведенная компанией CAST, она предназначена для создания надежных и герметичных угловых соединений в широком спектре применений, включая промышленные станки, мобильную технику, гидравлические прессы и системы смазки, работающие при стандартном давлении до 160 бар.
Конструктивно фитинг выполнен в виде угловой муфты с двумя внутренними резьбами, обеспечивающими прямое подключение к внешним резьбовым компонентам. Соответствует стандарту BSP (BS-5200) для трубных соединений с углом конуса 60°, что гарантирует совместимость с большинством стандартных гидравлических систем. Это обеспечивает простоту монтажа и высокую надежность при эксплуатации.
- Рабочее давление (WP): 160 бар
- Размер под ключ 1 (CH1): 48 мм
- Размер под ключ 2 (CH2): 55 мм
- Длина L1: 59 мм
- Длина L2: 75,5 мм
- Стандарт трубного соединения: Соединения 60° BS-5200
- Размер A (USIT): 1 1/2"
- Размер B: 1 1/2"
Муфта поставляется без дополнительных уплотнительных шайб или наконечников. Стандартное исполнение выполнено из стали, подходящей для большинства промышленных условий. Для заказа изделия из нержавеющей стали (AISI 316), обеспечивающего повышенную коррозионную стойкость в агрессивных средах, необходимо изменить первые две цифры артикула с 30.... на 31..... Данная позиция доступна только по запросу, что позволяет индивидуально подходить к выбору оптимального гидравлического соединения для специфических задач.