Тройник редукционный DS25-20-25 (корпус) арт. 104558.1 от Cast
Тройник редукционный DS25-20-25 (корпус). Соединения с врезным кольцом (DIN 2353). Т-адаптер (серия PRT)
Тройник редукционный (корпус) CAST, артикул 104558.1, предназначен для формирования высоконадежного и герметичного соединения в гидравлических системах высокого давления (Серия S). Данный элемент позволяет осуществить разветвление магистрали с переходом диаметра (25-20-25 мм). Основное назначение – создание компактного и прочного разветвления в промышленной, стационарной и мобильной технике, работающей со стандартными гидравлическими жидкостями и смазками.
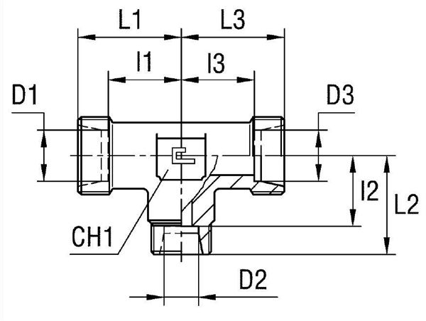
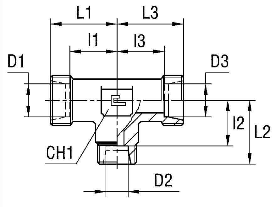
Конструктивно фитинг представляет собой корпус тройника для использования с 24° конусными трубными соединениями, соответствующими стандарту DIN 2353. Благодаря геометрии 24° достигается высокий уровень герметичности при критических нагрузках. Элемент рассчитан на работу в составе многокомпонентной системы, требуя доукомплектации соответствующими врезными кольцами (муфтами) и накидными гайками для завершения прочного трубного соединения.
- Рабочее давление (WP): 420 бар
- Серия: S (Тяжелая)
- Стандарт соединения: Соединения 24° DIN 2353
- Диаметры труб (D1/D2/D3): 25 мм / 20 мм / 25 мм
- Размер под ключ (CH1): 36 мм
- Длина корпуса (L1/L3): 42 мм
Стандартное исполнение выполнено из стали, адаптированной для тяжелых гидравлических нагрузок. Для эксплуатации в условиях повышенной коррозионной активности или с агрессивными средами, возможно исполнение из нержавеющей стали AISI 316 (для заказа необходимо заменить префикс артикула 10.... на 11....). При необходимости заказа полного узла с гайками, также доступен вариант корпуса AISI 316 в сочетании с гайкой из AISI 304. Данный фитинг CAST поставляется только корпусом и требует оформления индивидуального запроса.