Тройник редукционный DS20-12-20 (корпус) арт. 104554.1 от Cast
Тройник редукционный DS20-12-20 (корпус). Соединения с врезным кольцом (DIN 2353). Т-адаптер (серия PRT)
Тройник редукционный (артикул 104554.1) представляет собой специализированный гидравлический фитинг CAST тяжелой серии S, предназначенный для создания герметичных и надежных разветвлений в гидравлических системах. Его основное назначение — формирование трехстороннего соединения, где один из портов имеет меньший диаметр, обеспечивая компактное подключение трубопроводов с разными сечениями. Данный компонент оптимален для применения в системах высокого давления, характерных для станков, мобильной техники, а также различных промышленных установок, требующих эффективного распределения рабочей среды.
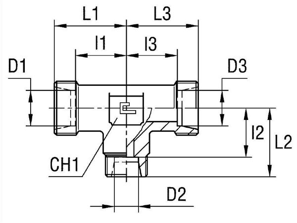
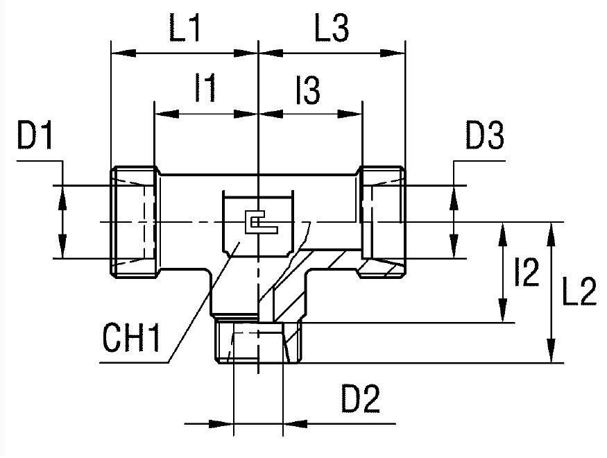
Конструкция корпуса тройника полностью соответствует высоким стандартам DIN 2353 для компрессионных трубных соединений с 24° конусом. Это гарантирует не только механическую прочность, но и высокую степень герметичности соединения, что критически важно для предотвращения утечек в системах высокого давления. Корпус, изготовленный из высококачественной стали, спроектирован для минимизации вибрационных нагрузок и обеспечения долговечной эксплуатации в самых требовательных условиях.
- Артикул: 104554.1
- Производитель: CAST
- Серия: S (тяжелая)
- Рабочее давление (WP): до 420 бар
- Диаметр основного прохода M1/D1: 20 мм
- Диаметр ответвления M2/D2: 12 мм
- Диаметр основного прохода M3/D3: 20 мм
- Размер под ключ 1 (CH1): 27 мм
- Стандарт трубного соединения: 24° конус DIN 2353
- Длина L1: 37 мм
- Длина L2: 34 мм
- Длина L3: 37 мм
- Длина L4: 48 мм
Данная позиция поставляется исключительно как корпус тройника; необходимые для полноценного трубного соединения гайки и врезные кольца приобретаются отдельно. Стандартное исполнение из стали обеспечивает высокую стойкость к механическим нагрузкам. Для эксплуатации в коррозионных или агрессивных средах доступно исполнение из нержавеющей стали AISI 316 (для заказа замените префикс артикула с 10.... на 11....). При необходимости комплектации нержавеющего тройника гайкой из нержавеющей стали AISI 304, следует использовать артикул с префиксом 14..... Обратите внимание, что эта позиция доступна только по запросу, что позволяет обеспечить точное соответствие требованиям проекта.