Тройник редукционный DS16-20-16 (корпус) арт. 104552.1 от Cast
Тройник редукционный DS16-20-16 (корпус). Соединения с врезным кольцом (DIN 2353). Т-адаптер (серия PRT)
Редукционный тройник DS16-20-16, артикул 104552.1, предназначен для создания разветвлений в гидравлических системах с изменением диаметра трубопровода. Производится компанией CAST, относится к серии S и применяется в гидравлике стандартного давления для соединения компонентов в станках, мобильной технике и других промышленных приложениях.
Данный фитинг CAST обеспечивает надежное и герметичное трубное соединение, соответствующее стандарту DIN 2353 (соединения 24°). Конструкция обеспечивает легкий монтаж и демонтаж, а также высокую устойчивость к вибрациям и гидроударам.
- Рабочее давление (WP): 420 бар
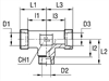
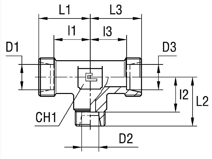
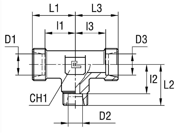
- Диаметр трубы M1/D1: 16 мм
- Размер под ключ 1 (CH1): 27 мм
- Длина L1: 36 мм
- Длина L2: 37 мм
- Длина L3: 36 мм
- Длина L4: 46 мм
- Стандарт трубного соединения: Соединения 24° DIN 2353
Изделие поставляется как корпус. Для заказа тройника из нержавеющей стали AISI 316 необходимо заменить префикс артикула с 10.... на 11...., а для версии с гайкой из нержавеющей стали AISI 304 – на 14..... Исполнение из нержавеющей стали рекомендуется для применения в коррозионно-активных средах, где требуется повышенная стойкость к агрессивным веществам.