Тройник редукционный DS16-10-16 (корпус) арт. 104550.1 от Cast
Тройник редукционный DS16-10-16 (корпус). Соединения с врезным кольцом (DIN 2353). Т-адаптер (серия PRT)
Данный редукционный тройник (корпус) CAST, артикул 104550.1, представляет собой ключевой элемент для создания герметичных и прочных ответвлений в гидравлических системах высокого давления. Он предназначен для формирования Т-образного соединения с возможностью редукции диаметра одного из отводов, обеспечивая оптимальное распределение потока рабочей среды. Принадлежит к серии S (Heavy Series) производителя CAST, что гарантирует его надежность в условиях повышенных нагрузок. Основные области применения включают станочное оборудование, мобильную спецтехнику, промышленную гидравлику и другие системы, требующие надежное трубное соединение.
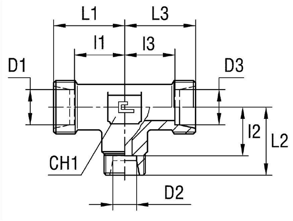
Конструктивно данный гидравлический тройник является корпусом фитинга, разработанным для интеграции в гидравлические линии с использованием 24° конусных соединений. Он обеспечивает стандартное Т-образное подключение с двумя портами под трубу диаметром 16 мм и одним портом под трубу 10 мм. Соответствие стандарту DIN 2353 гарантирует полную совместимость с широким ассортиментом врезных колец и накидных гаек, образующих прочное и герметичное 24° конусное уплотнение, критичное для долговечной работы гидравлического оборудования.
- Артикул: 104550.1
- Рабочее давление (WP): 630 бар
- Диаметр труб (M1/D1, M3/D3): 16 мм
- Диаметр трубы (M2/D2): 10 мм
- Размер под ключ (CH1): 24 мм
- Серия: S (Heavy Series)
- Стандарт трубного соединения: DIN 2353 с 24° конусом
- Длина L1: 33 мм
- Длина L2: 31 мм
- Длина L3: 33 мм
- Длина L4: 43 мм
Стандартное исполнение фитинг CAST поставляется из высокопрочной стали. Для применений, требующих повышенную коррозионную стойкость или работу в агрессивных средах, доступны варианты из нержавеющей стали. Для заказа корпуса из нержавеющей стали AISI 316 замените первые две цифры артикула с "10" на "11". Если требуется корпус из нержавеющей стали AISI 316 в комплекте с гайкой из нержавеющей стали AISI 304, следует изменить префикс артикула с "10" на "14". Данная позиция представляет собой только корпус тройника; необходимые гайки и врезные кольца заказываются отдельно. Товар доступен по запросу.